Calculation and evaluation of passive harmonic filter efficiency for non-traction consumers of electrified railways using simulation model in Matlab/Simulink software environment
Calculation and evaluation of passive harmonic filter efficiency for non-traction consumers of electrified railways using simulation model in Matlab/Simulink software environment
Abstract
The article examines the problem of electromagnetic influence of powerful semiconductor rectifiers of electrified direct current roads on the quality of electrical energy consumed by non-traction consumers. The results of field measurements of the quality of electric energy supplying electric centralisation posts are given. The known ways of reducing the distorting effect of traction converters are examined. The calculation of the parameters of the passive filter of the 11th and 13th harmonics with further simulation modelling in the Matlab/Simulink software environment to evaluate the efficiency of compensation of the above harmonics at different traction loads and power of the used passive harmonic filter is carried out.
1. Введение
Системы железнодорожной электрической централизации (ЭЦ) обеспечивают надежное функционирование управления перевозочным и маневровым процессом. Оборудование указанных систем располагается в отдельных помещениях, именуемых постами ЭЦ. Посты ЭЦ получают электрическое питание, как правило, от тяговых подстанций, по отдельно стоящим воздушным линиям 6(10) кВ. От шин 6(10) кВ тяговых подстанций постоянного тока, помимо указанных потребителей, также питаются мощные полупроводниковые выпрямители, являющиеся источником гармонических искажений в питающую сеть (см. рис. 1.). Что, в свою очередь, приводит к существенному несинусоидальному искажению кривой напряжения, в том числе, на вводах 0,4 кВ постов ЭЦ. Данное обстоятельство в ряде случаев приводит к ложному срабатыванию реле контроля чередования фаз, входящего в состав системы защиты оборудования поста ЭЦ, что ведет к аварийному переходу питания на резервный фидер, либо аккумуляторную батарею. Указанный факт способен привести к прямому нарушению ПУЭ в части требований к надежности электроснабжения приемников первой категории, к которым относятся посты ЭЦ.
Таким образом, решение проблемы электромагнитной совместимости нетяговых потребителей с системой тягового электроснабжения в границах электрифицированных железных дорог постоянного тока приобретает особенную актуальность ввиду модернизации аналоговых систем ЭЦ на микропроцессорные и прямого влияния надежности их работы на безопасность перевозочного процесса.
Принципиальная однолинейная схема электроснабжения постов ЭЦ на электрифицированных железных дорогах постоянного тока приведена на рисунке 1.

Рисунок 1 - Принципиальная однолинейная схема электроснабжения поста ЭЦ по линии ВЛ СЦБ на электрифицированных железных дорогах постоянного тока
2. Натурные замеры
В ходе экспериментальных исследований, выполненных на ряде постов электрической централизации, характеризующихся наличием рассматриваемой проблемы, было выявлено, что наибольшее искажение кривой питающего напряжения, с увеличением доли высших гармоник частотами 550 и 650 Гц, наблюдается в моменты увеличения тяговой нагрузки на выпрямителе подстанции, от шин 6(10) кВ которой осуществлялось электроснабжение поста ЭЦ. Полученные результаты совпадают с выводами исследований, указанных в , .

Рисунок 2 - Гармонический спектр питающего напряжения 0,4 кВ поста ЭЦ

Рисунок 3 - Осциллограмма питающего напряжения 0,4 кВ поста ЭЦ
где:
I1М(n) – ток n-ой гармоники выпрямителя;
I1М(1) – ток основной гармоники выпрямителя, равной 50 Гц.
Спектр гармонических составляющих будет включать в себя гармоники, кратность которых выражается зависимостью от количества пульсаций выпрямленного напряжения за один период сетевого напряжения:
где:
m – число пульсаций выпрямленного напряжения;
k = 1,2,3,... .
Таким образом, в кривой напряжения, питающего пост электрической централизации будут содержаться высшие гармонические составляющие, а в случае применения 12-ти пульсового выпрямителя, как в рассматриваемом случае, с порядковыми номерами 11,13, 23, 25 и т.д. и возрастающими амплитудами по мере увеличения тока, потребляемого электроподвижным составом.
С учетом тенденции к повышению роста массы и количества поездов, что, в свою очередь, ведет к росту тяговой нагрузки, решение рассматриваемой проблемы электромагнитной совместимости приобретает дополнительную актуальность.
3. Известные пути решения проблемы
Увеличение пульсности выпрямителя ведет к улучшению его энергетических показателей, в том числе и к снижению уровня гармонических искажений в кривой питающего напряжения . Но полный перевод 6-ти и 12-ти пульсовых выпрямителей на 24-х пульсовые сопряжен с огромными экономическими затратами, включающими в себя замену, либо модернизацию выпрямительных агрегатов, а также замену тяговых преобразовательных трансформаторов, что сопряженно с огромными экономическими затратами, составляющими сотни миллионов рублей
.Одним из современных и эффективных способов компенсации высших гармонических составляющих является установка активного фильтра гармоник (АФГ) со стороны питающей сети, непосредственно на вводных шинах потребителя. Данное устройство, вводя в сеть токи гармоник, равные по амплитуде, но противоположные по фазе гармоникам индуцированных нелинейной нагрузкой (в рассматриваемом случае – тяговым выпрямителем) компенсируют их, чем достигается высокий уровень качества электрической энергии, потребляемой непосредственно «защищаемым» потребителем. Однако высокая стоимость АФГ и способ подключения, при котором компенсация нелинейных искажений будет осуществляться только у одного потребителя электрической энергии, делает этот способ компенсации также существенно затратным
.Для рассматриваемого случая, наиболее предпочтительным по уровню стоимости внедрения, а также ввиду превалирующего содержания в кривой напряжения всего двух гармонических составляющих 11-го и 13-го порядков, является вариант расчета и разработки пассивного фильтра, имеющего в своем составе емкость и индуктивность, создающих резонансные контуры для компенсации указанных гармоник.
Расчет параметров фильтра выполняется аналитическим метод с построением имитационной модели в целях анализа и оценки степени эффективности фильтра при рассматриваемой конфигурации системы электроснабжения поста электрической централизации.
4. Расчет параметров пассивного фильтра
Существуют несколько способов расчета параметров пассивного фильтра. В данном случае предлагается использовать метод последовательных приближений, подробно описанный в работе
, для получения заданных частотных характеристик звеньев и требуемой реактивной мощности. Суть указанного метода заключается в рассмотрении фильтра как четырёхполюсника, на внешних зажимам которого действуют источники гармоник. Для его описания используется уравнение в гибридных параметрах. На следующем шаге выполняется синтез данного четырехполюсника и производится денормирование параметров фильтра по отношению к частоте основной гармоники .Согласно данным, приведенным в
, расчет параметров реактивных элементов фильтра выполняется в два этапа. На первом этапе принимаются произвольные значения индуктивностей Li(нач) (либо емкостей Сi(нач)) звеньев. C учетом известного выражения резонансной частоты последовательного L-C контура:Индуктивность каждого звена, при выбранном значении емкости конденсаторов, будет определяться по следующей формуле:
где:
Сiнач – принятое для расчет произвольное значение емкости звена, мкФ;
fрi – частота фильтруемой звеном гармоники, Гц.
Аналогично, из выражения (4) определяется емкость конденсаторов звена, в случае известного значения индуктивности Li(нач):
Второй этап расчета предполагает уточнение параметров реактивных элементов фильтра с целью достижения требуемых оптимальных значений потребляемой фильтром мощности.
Для этого из выражения (6) рассчитывается реактивная мощность, генерируемая фильтром, обладающим значениями параметров Сiнач, Li(нач), рассчитанными на первом этапе:
Следующим шагом является определение необходимого отношения KQ реактивной мощности фильтра Qф к полученному на первом этапе значению Qф нач:
С учетом соотношения (7) рассчитываются окончательные значения индуктивности и емкости для каждого звена фильтра
:Исходя из приведенных выше выражений, в ходе расчета были получены следующие значения индуктивностей и емкостей для каждого звена фильтра, при различной проектируемой мощности фильтра:
Таблица 1 - Рассчитанные параметры и мощность фильтра
| 1-ое звено | 2-ое звено | 1-ое звено | 2-ое звено |
L, мГн | 0,67 | 0,6 | 3,47 | 3,11 |
C, мкФ | 125 | 100 | 55 | 44 |
fр, Гц | 550 | 650 | 550 | 650 |
Qф, кВАр | 20 | 20 | 8,7 | 8,7 |
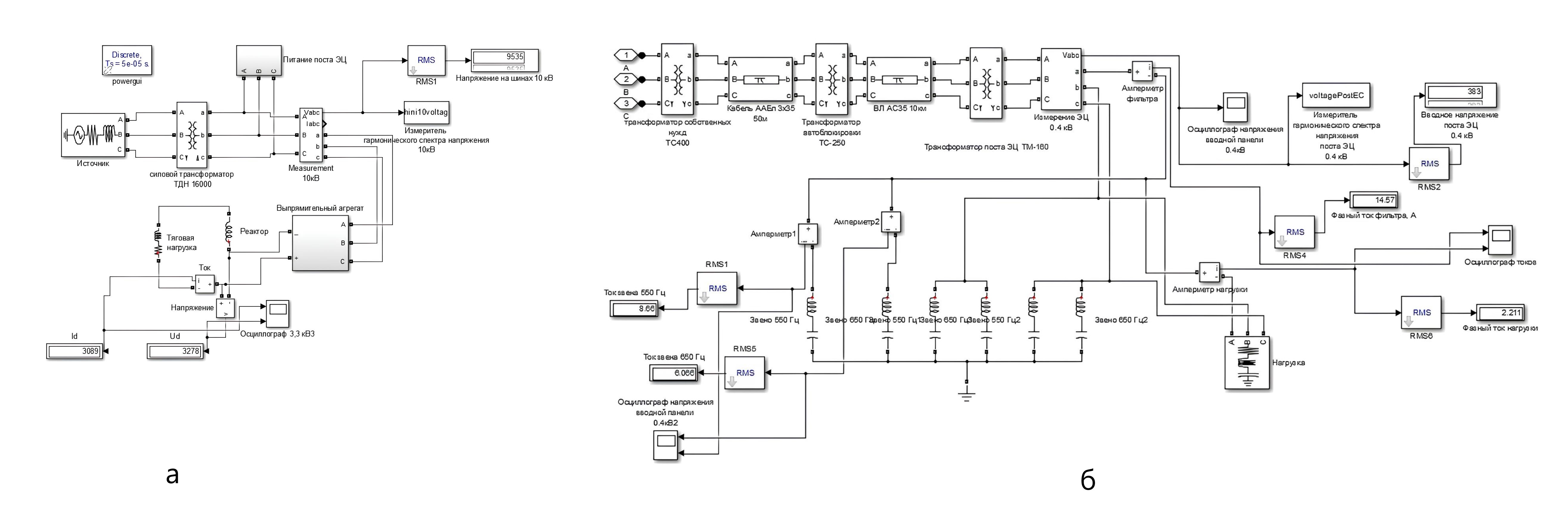
5. Компьютерное моделирование
Модель тяговой подстанции и системы электроснабжения поста электрической централизации выполнены на основе типовых блоков из библиотеки Simscape/PowerSistems программной среды Matlab. Параметры блоков рассчитаны на основе методик приведенных в источниках
, и соответствуют параметрам реального оборудования, входящего в вышеуказанные системы. Подробно синтез используемой модели рассмотрен в предшествующей работе . В качестве допущения, принимаем, что синусоидальное напряжение 110 кВ, питающее тяговую подстанцию, является симметричным. Помимо тягового выпрямителя, другие нелинейные нагрузки, влияющие на качество электрической энергии в реальных условиях, не учитываются. Блок-схема модели приведена на рисунке 4.
Рисунок 4 - Блок-схема модели тяговой подстанции (а) и подсистемы, имитирующей линию электроснабжения поста ЭЦ (б)
1. Ток нагрузки выпрямителя равен 10% от номинального 3150 А, пассивный фильтр не подключен.
2. Ток нагрузки выпрямителя равен 90% от номинального 3150 А, пассивный фильтр не подключен.
3. Ток нагрузки выпрямителя равен 90% от номинального 3150 А, пассивный фильтр подключен к вводной панели 0,4 кВ поста ЭЦ, реактивная мощность фильтра принята равной 20 кВАр.
4. Ток нагрузки выпрямителя равен 90% от номинального 3150 А, пассивный фильтр подключен к вводной панели 0,4 кВ поста ЭЦ, реактивная мощность фильтра принята равной 8,7 кВАр.
На рисунках 5-8 приведены диаграммы, демонстрирующие спектральный состав напряжения 0,4 кВ, питающего пост ЭЦ при моделировании в различных режимах, и осциллограммы визуально свидетельствующие о степени искажения кривой напряжения. В таблице 2 приведены сравнительные результаты проведенного моделирования.

Рисунок 5 - Результат проведенного моделирования в первом режиме:
а) спектральный состав; б) кривые напряжения 0,4 кВ

Рисунок 6 - Результат проведенного моделирования во втором режиме:
а) спектральный состав; б) кривые напряжения 0,4 кВ

Рисунок 7 - Результат проведенного моделирования в третьем режиме:
а) спектральный состав; б) кривые напряжения 0,4 кВ

Рисунок 8 - Результат проведенного моделирования в четвертом режиме:
а) спектральный состав; б) кривые напряжения 0,4 кВ
Таблица 2 - Сравнительные результаты моделирования
1. Спектральный состав напряжения 0, 4 кВ в точке подключения поста ЭЦ, включает в себя гармоники 11, 13, 23, 25 и т.д. порядков, являющимися каноническими для 12-ти пульсовой схемы выпрямления и обусловлены электромагнитным влиянием полупроводникового преобразователя тяговой подстанции.
2. Увеличение тока нагрузки выпрямителя с 10% до 90 % от номинального тока ведет к повышению как суммарного коэффициента гармонических искажений (THD) с 1,05% до 10,73%, так и отдельных коэффициентов гармонических составляющих 11 и 13 порядков до 8,3% и 6,8% соответственно, что превышает требования ГОСТ
(таб. 1).3. Применение двухзвенного сглаживающего фильтра для компенсации 11-ой и 13-ой гармоник напряжения, при реактивной мощности фильтра равной 20 кВАр позволяет снизить значение THD до 0, 77%.
Эффективность фильтра при его реактивной мощности 8,7 кВАр оказывается несколько ниже. В таком случае значение THD становится равным 3, 49%
6. Заключение
На основе проведенного исследования с помощью средств имитационного моделирования возможно сделать следующие выводы:
1. Увеличение тока нагрузки выпрямителя ведет к существенному искажению кривой питающего напряжения, что, в свою очередь, сказывается на качестве электрической энергии потребляемой нетяговыми потребителями подстанций, в частности, постами ЭЦ. С учетом несимметрии и несинусоидальности напряжения в сети, а также эксплуатацией 6-ти пульсовых выпрямителей, генерирующих в сеть гармоники с частотами 250 и 350 Гц, в реальных условиях показатели качества электрической энергии могут быть ниже, чем при проведенном исследовании. Также необходимо отметить, что ВЛ 6(10) кВ, питающие нетяговые потребители, представляют собой лини с распределенными параметрами, что при сочетании определенных условий, может быть причиной возникновения резонансных режимов и усиления отдельных гармоник
. В связи с чем при опытном проектировании и внедрении рассматриваемого типа сглаживающего фильтра следует учитывать указанные выше факторы.2. Эффективность сглаживающего фильтра прямо зависит от его реактивной мощности. С ростом мощности фильтра, а соответственно и его стоимостью, суммарный коэффициент гармонических искажений напряжения в точке присоединения снижается. Окончательный выбор мощности фильтра необходимо делать из экономической целесообразности и требуемого уровня качества электрической энергии в точке установки фильтра.
3. На основе приведенной в статье имитационной модели возможно прогнозировать эффективность внедрения и предварительный расчет пассивных фильтров гармоник при различных параметрах влияющего оборудования на качество электрической энергии потребляемой нетяговыми потребителями в границах электрифицированных железных дорог постоянного тока.
