1/f noise in recursive interaction between current carriers and quantum vacuum fluctuations
1/f noise in recursive interaction between current carriers and quantum vacuum fluctuations
Abstract
The SG hypothesis is proposed and substantiated, according to which continuous-type 1/f noise accompanies recursive interactions with attosecond delays in the positive feedback of quantum vacuum fluctuations with uncorrelated current carriers. It is shown that this interaction leads to an integral transformation of the blue noise generated by quantum fluctuations. Two semi-empirical and two computational dynamic models of 1/f noise are examined. It has been established that the results of analytical and numerical calculations agree well with experimental data on the spectra, statistics, dynamics of shape changes in realisations, and modified phase portraits of naturally occurring 1/f noise in semiconductor devices. The obtained results may be useful for the wider and more effective application of radiophysical methods in statistical and quantum physics.
1. Введение
Фликкер-шум был обнаружен около 100 лет тому назад. С тех пор этот вид шума порождает массу вопросов о природе и механизмах его формирования. Отметим, что к фликкер-шуму относят неравновесные низкочастотные (НЧ) флуктуации, у которых спектральная плотность мощности (СПМ) S(f,I) аппроксимируется зависимостью
где f — частота, I — средний ток через образец, C0 — коэффициент аппроксимации, а для β и индекса СПМ γ выполняются неравенства
Частным случаем фликкер-шума является 1/f-шум , , , впервые обнаруженный в полупроводниках около 70 лет тому назад и имеющий диапазон изменения γ вблизи 1, обычно в пределах
В 1957 году A.L. McWhorter предложил модель, согласно которой в полупроводниках 1/f-шум возникает в результате захвата носителей заряда на медленные поверхностные состояния. Позднее A. Van der Ziel разработал модифицированный вариант упомянутой модели 1/f-шума. В 1969 году F.N. Hooge предложил полуэмпирическую формулу, описывающую 1/f-шум в физических системах.
В 1970-е годы было экспериментально установлено, что 1/f-шум наблюдается не только в физических, но и в самых разнообразных природных, технических, социально-экономических и биологических системах. В связи с этим стало актуальным создание таких теоретических моделей 1/f-шума, которые имеют единый подход для всех природных систем. Одной из первых работ в этом направлении стала квантовая теория P. Handel . Согласно этой теории, 1/f-шум возникает как результат взаимодействия носителей заряда со свободными от влияния теплового шума квантовыми флуктуациями в инфракрасной области спектра. Перенос спектра флуктуаций в область НЧ происходит за счет частичного рассеяния энергии зарядов на акустических фононах. К сожалению, работа Handel имела ряд серьезных ошибок и противоречий с законом сохранения энергии. Всё это на несколько десятков лет затормозило развитие новых идей по созданию квантовых моделей 1/f-шума .
В предлагаемой работе впервые рассмотрены механизмы формирования 1/f-шума в результате рекурсивного взаимодействия носителей тока в полупроводниках с НЧ квантовыми вакуумными флуктуациями на фоне сильной аддитивной помехи от теплового шума.
Цель работы: Формулировка и проверка на основе полуэмпирических моделей, аналитических расчетов, компьютерного моделирования и натурного эксперимента SG гипотезы о связи природы 1/f-шума в физических системах с квантовыми вакуумными флуктуациями (далее — квантовыми флуктуациями) или с нулевыми колебаниями вакуума (далее — нулевыми колебаниями).
Для реализации поставленной цели предстоит решить следующие задачи:
1. Рассмотреть особенности обнаружения и изучении 1/f-шума и квантовых флуктуаций на фоне теплового шума.
2. Рассмотреть модели формирования 1/f-шума на высоких частотах.
3. Сформулировать SG гипотезу о том, что НЧ 1/f-шум сопровождает рекурсивное взаимодействие носителей тока с НЧ квантовыми флуктуациями. Предложить полуэмпирические модели 1/f-шума.
4. Изучить рекурсивное взаимодействие квантовых флуктуаций с носителями тока с аттосекундными задержками в цепи обратной связи.
5. Предложить динамические модели 1/f-шума, построенные в рамках авторегрессионной модели 1-го порядка и рекурсивного фильтра нижних частот. Сравнить результаты численных расчетов 1/f-шума с экспериментом.
Объектом исследования в работе являются полупроводники и полупроводниковые приборы. Предметом исследования является 1/f-шум и возможные механизмы его возникновения. В работе используются радиофизические и цифровые методы обнаружения, преобразования и обработки сигналов, порождаемых НЧ квантовыми флуктуациями.
2. Квантовые флуктуации и 1/f-шум на фоне теплового шума
Наблюдение 1/f-шума возможно, если он является избыточным, т.е. превышает по уровню тепловой шум. В настоящее время тепловой шум чаще всего рассматривают совместно с квантовыми флуктуациями (нулевыми колебаниями) . Для такой совокупности СПМ SU(f) флуктуаций напряжения на участке разомкнутой цепи с активным сопротивлением R
где kB — постоянная Больцмана, h — постоянная Планка, T — абсолютная температура. В замкнутых цепях СПМ SI(f) тепловых флуктуаций тока
При R=1 Ом, (4), (5) можно свести в одну формулу
Анализ (4), (5), (6) показывает, что на высоких частотах при f>>kBT/h тепловой шум не маскирует спектр квантовых флуктуаций. Это позволяет изучать их при комнатных температурах в оптической и УФ области спектра, где СПМ теплового шума (при R=1 Ом) определяется исключительно СПМ квантовых флуктуаций SB(f)
На рисунке 1 приведены расчетные СПМ SW(f) теплового шума.

Расчетные СПМ теплового шума цепи с активным сопротивлением R=1 Ом при температурах:
1 - T=300 К; 2 - T=1 К; 3 - T=0,03 К; 4 - T=0,001 K
3. Модель высокочастотного 1/f-шума
Рассмотрим в субмикронных системах атипичный, высокочастотный (ВЧ), равновесный 1/f-шум, особенность которого обусловлена двумя факторами: ВЧ диапазоном и равновесным характером шума.
Согласно флуктуационно-диссипационной теореме (ФДТ) для СПМ теплового токового шума в линейных электрических цепях
где
где τ=L/R. На рисунке 2 приведены рассчитанные по (9) СПМ теплового шума проводника с R=1 Ом, τ=1 нс.

Расчетные с учетом ФДТ СПМ тепловых флуктуаций тока в проводнике при различных температурах:
1 - T=300 К; 2 - T=1 К; 3 - T=0,03 К; 4 - T=0,001 K
и СПМ ВЧ участка спектра приобретает зависимость вида 1/f. Полученный результат сопряжен с рядом ограничений, связанных с приближением для цепей с сосредоточенными параметрами и с идеализаций элементов R и L, поскольку при f>3 ГГц сложно обеспечить частотно независимые характеристики R и L. Тем не менее, такой расчет полезен при поиске механизмов формирования 1/f-шума, а также — при планировании экспериментов при сверхнизких температурах порядка 1 мК по наблюдению квантовых флуктуаций (нулевых колебаний) , . Заметим, что при соответствующих τ (10) может описывать и НЧ 1/f-шум.
4. SG гипотеза и созданные на ее основе модели НЧ 1/f-шума
4.1. SG гипотеза об источниках 1/f-шума
В НЧ диапазоне, например на звуковых частотах, при T=300 К СПМ квантовых флуктуаций более чем на десять порядков меньше СПМ тепловых флуктуаций. Поэтому выглядит призрачным формирование 1/f-шума путем пассивного преобразования сигналов квантовых флуктуаций. Попробуем преодолеть такое предубеждение. Заметим, что тепловой шум является равновесным, и поэтому согласно (5), (6) его СПМ ограничена по величине вне зависимости от величины тока. Для неравновесного 1/f-шума нет подобных ограничений.
Обычно в качестве первичного источника 1/f-шума рассматривают белый шум , . Можно выделить следующие три вида преобразований белого шума в 1/f-шум: дробное интегрирование 0.5 порядка ; интегральные преобразования ; авторегрессионные марковские модели . В физических системах с низкой плотностью носителей тока, например в слабо легированных полупроводниках, указанные преобразования можно упростить, если выбрать первичный процесс, который при кратном интегрировании по времени даст 1/f-шум.
Предлагается SG гипотеза о природе 1/f-шума, имеющего реализации непрерывного типа. Согласно SG гипотезе в проводнике с током в процессе нерекурсивного или рекурсивного взаимодействия квантовых флуктуаций с взаимно некоррелированными носителями тока с аттосекундными задержками в петле положительной обратной связи за счет интегрирования по времени синего шума (f-шума), создаваемого квантовыми флуктуациями (нулевыми колебаниями), инициализируется 1/f-шум. Отметим, что для SG гипотезы не существенна величина взаимной корреляции квантовых флуктуаций , .
4.2. Линейная полуэмпирическая модель 1/f-шума
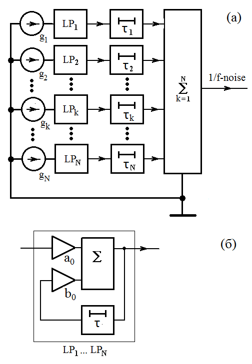
Функциональная схема, соответствующая линейной полуэмпирической модели 1/f-шума, изображена на рисунке 3 (а). На схеме распределённые вдоль проводника N источников квантовых флуктуаций изображены, как генераторы синего шума g1…gk…gN, СПМ Sg(f) каждого из которых
Интегрирование по времени синего шума с g1…gi…gN происходит соответственно в фильтрах нижних частот LP1…LPN. Введем упрощение, от которого далее избавимся. Предположим, что интегрирование по времени синего шума от каждого источника gi с преобразованием его в шумовой ток j(t) происходит за счет инерционности носителей тока со временем релаксации τLP и описывается обобщенным уравнением Ланжевена
Переходя к СПМ Sj(f) флуктуаций тока j(t) и, учитывая (11), имеем

Функциональная схема:
а - преобразований сигналов по моделям 1/f-шума; б - фильтров нижних частот LP1…LPN
При f≫1/(2πτLP ) (14) дает для SI(f,I) 1/f зависимость от частоты и линейную зависимость СПМ от тока:
Проведем согласно (15) численные оценки СПМ для следующего примера
R-1=6.6 10-3 См; I=2 10-2 А; f=10 Гц; t1=1 с, τLP =1 с, a=3 10-10 м, z=3 10-3 м.
Результат (16) по порядку величины хорошо согласуется с данными .
4.3. Нелинейная полуэмпирическая модель 1/f-шума
Рассмотрим в качестве проводника включенный в прямом направлении полупроводниковый диод с экспоненциальным участком вольт-амперной характеристики (ВАХ)
Малая величина относительных флуктуаций тока позволяет полагать, что они происходят на небольшом квазилинейном участке ВАХ, для которого справедливы полученные ранее в линейном приближении формулы (14), (15) с уточнением о том, что активную проводимость R-1 придется заменить дифференциальной проводимостью Gd(I)=dI/dU
где 1≤ υ ≤2. Подставляя Gd(I) в (14), имеем
При выполнении условия f≫1/(2πτLP ) формула (19) примет вид
С экспоненциальной нелинейностью получена квадратичная зависимость СПМ от величины I, что согласуется с (1), (2). Проведем численные оценки согласно (20) для следующего примера:
Результаты расчетов (21) хорошо согласуются по порядку величины с экспериментальными данными, например, .
5. Механизм связи носителей тока с квантовыми флуктуациями
Недостатком рассмотренных выше моделей 1/f-шума является ограниченность частотного диапазона 1/f-шума в области НЧ. Эксперименты показывают, что 1/f-шум наблюдается до частот 10-3…10-8 Гц . Для достижения столь низких частот времена релаксации τLP должны составлять величину порядка 102…107 с. Носители тока в полупроводниках не обладают столь большими временами релаксации. Для получения подобных времен чаще всего применяется модель двухуровневой системы локальных энергетических уровней, разделенных туннельно-тонкими барьерами , . Нет оснований утверждать, что такая модель верна для взаимодействия квантовых флуктуаций с носителями тока. Проблему с получением τLP порядка 102,,,107 с можно устранить, если усмотреть в качестве связующего звена между квантовыми флуктуациями и каждым носителем тока схему рекурсивного фильтра НЧ 1-го порядка (Рисунок 3 (б)).
На вход каждого фильтра LP1…LPN поступает сигнал квантовых флуктуаций. С выхода фильтра сигнал возбуждает один из носителей тока. Время задержки τ в петле обратной связи определяется прохождением сигнала со скоростью электромагнитной волны в вакууме c расстояния, равного размеру a типичной элементарной ячейки полупроводника
Не следует опасаться того, что рекордно малая , аттосекундная задержка τ не обеспечит возможность работы фильтра в НЧ области. Действительно, комплексный коэффициент передачи фильтра
Модуль коэффициента передачи
С учетом (22) для всех f<<1016 Гц можно приблизительно записать
Положим, что a0=1-b0, а величину b1<1 устремим к 1 с точностью до 25 знака после запятой. С учётом этого (25) примет вид
где τ2=τ/(1-b0). Пусть, например b0=1-10-25. Тогда τ2=2 107 с.
6. Эксперименты и компьютерный синтез 1/f-шума и синего шума
6.1. Компьютерный синтез синего шума
На базе ПК был создан 24-битный генератор сигналов с прямым цифровым синтезом, позволяющий получать электрические сигналы синего, белого и 1/f шума в полосе частот от 10 Гц до 38 кГц. Усредненный индекс СПМ синего шума составлял γ1=0.999±0.001. Усредненные коэффициенты асимметрии и эксцесса по модулю не превышали величину 0.1.
Для компьютерной эмуляции временных рядов {xi} синего шума использовано дифференцирование дробного порядка центрированного белого гауссовского шума. Реализации синего шума записывалась в память в виде массива данных x[i] и содержала 216 – 217 семплов.
6.2. Первая динамическая модель 1/f-шума

Мгновенная (1) (серый цвет) и усредненная по 3000 реализациям (2) (зеленый цвет) СПМ 1/f-шума, полученные из f-шума методом кратного интегрирования
6.3. Вторая динамическая модель 1/f-шума
В этой модели расчет временных рядов {yi} 1/f-шума происходил на основе авторегрессионной модели 1-го порядка для цепей Маркова . На рисунке 5 изображены расчетные мгновенная (1) и усредненная по 3000 реализациям (2) СПМ 1/f γ-шума, полученного на основе авторегрессионной модели. Сравнение СПМ рисунков 4 и 5 показывает, что для СПМ на рисунке 4 1/f зависимость выполняется для 16 октав изменения частоты, а для СПМ на рисунке 5 – для 14 низкочастотных октав (4+ декад 1/f-шума), при этом для 15-й и 16-й октав индекс СПМ близок к нулю.
Усредненный индекс СПМ γ, рассчитанный по четырем декадам НЧ части частотной оси, равен 0.98±0.04. Коэффициент эксцесса составил -0.02±0.01, коэффициент асимметрии 0.07±0.03.
Данные рисунка 5 важны в двух аспектах. Во-первых, они еще раз подтверждают SG гипотезу о том, что 1/f-шум формируется путем интегрирования по времени синего шума. Во-вторых, использование алгоритма авторегрессионной модели 1-го порядка позволяет реализовать интегрирование по времени синего шума, как минимум, по четырем декадам изменения частоты, что достаточно для большинства приложений.

Мгновенная (1) (серый цвет) и усредненная по 3000 реализациям (2) (зелёный цвет) СПМ 1/f-шума, полученные из f-шума авторегрессионным методом
В дополнение к компьютерному моделированию проведены экспериментальные исследования 1/f-шума. В качестве объекта исследования использован реализованный на полупроводниковой микросхеме двухканальный микрофонный усилитель. Для уменьшения влияния помех использована мостовая схема измерения, теоретическое обоснование применения которой дано в , . Диапазон частот анализа шума составлял 10 Гц – 20 кГц. При анализе спектров тактовая частота 24-битного цифрового сигнала составляла 48 кГц, а при анализе фазовых портретов тактовая частота была равна 192 кГц. Анализируемый 1/f-шум был квазистационарным и в полосе 3-х частотных декад имел индекс СПМ, равный 1.00±0.02, а его коэффициенты асимметрии и эксцесса по абсолютной величине были в пределах 0.1.

Фазовые портреты 1/f-шума, полученные различными методами:
а - модифицированным методом 2048-канального вокодера; б - классическим методом дифференцирования
Установлено, что каждый кадр фазовых портретов, полученных как методом вокодера, так и классическим методом, имеет уникальный вид по конфигурации и по амплитудам флуктуаций, осцилляционного типа. Эллипсовидная форма участков фазовых траекторий на рис.6 (а), (б) хорошо согласуется с тем, что интегральное преобразование формирует квадратурные компоненты 1/f-шума по отношению к исходному сигналу — синему шуму квантовых флуктуаций. Из данных рисунка 6 (а) также следует, что число полных затухающих колебаний в каждом квантовом осцилляторе близко к 1.
7. Заключение
В результате выполнения данной работы решены все поставленные задачи. В частности, впервые рассмотрены особенности обнаружения и изучении 1/f-шума и НЧ квантовых флуктуаций на фоне теплового шума; рассмотрены виртуальные модели формирования 1/f-шума на высоких частотах за счет квантовых флуктуаций; предложена SG гипотеза, согласно которой в результате рекурсивного взаимодействия квантовых флуктуаций с некоррелированными носителями тока формируется 1/f-шум; созданы две полуэмпирические модели 1/f-шума; рассмотрено рекурсивное взаимодействие с аттосекундными задержками в петле положительной обратной связи носителей тока с квантовыми флуктуациями, найден универсальный механизм, за счет которого образуются длительные времена релаксации, формирующие 1/f-шум; с помощью разработанных динамических моделей реализован расчет временных рядов 1/f-шума авторегрессионным методом 1-го порядка и численным интегрированием временных рядов синего шума; получено хорошее согласие компьютерных расчетов с экспериментами по статистике, спектральным характеристикам, по динамике изменения формы реализаций и фазовых портретов 1/f-шума.
Особо следует отметить, что впервые путем численных и аналитических расчетов показано, что рекурсивное взаимодействие квантовых флуктуаций с взаимно некоррелированными носителями тока приводит к интегральному преобразованию синего шума, создаваемого квантовыми флуктуациями, что, в свою очередь, приводит к формированию 1/f-шума в широкой полосе частот с нижней граничной частотой до 10-8 Гц.
Результаты работы могут быть использованы для расширения сфер применения радиофизических методов в статистической физике, в квантовой физике, а также в качестве готового и апробированного методического обеспечения в учебных заведениях естественно-научного и технического профиля .
