ANALYSIS OF THE IMPACT OF SOLAR POWER PLANT INTEGRATION ON THE TOTAL INERTIA OF THE POWER SYSTEM
ANALYSIS OF THE IMPACT OF SOLAR POWER PLANT INTEGRATION ON THE TOTAL INERTIA OF THE POWER SYSTEM
Abstract
The increasing share of renewable energy sources (hereinafter — RES) connected to the power grid by means of inverters leads to a decrease in the total inertia of the power system, which, in turn, becomes a significant problem for small power systems in terms of their stability. This article is dedicated to the study of the total inertia of power systems containing solar power plants (hereinafter — SPP). The author analysed the dynamic properties of a three-machine power system modeled in the MATLAB/Simulink software package, in which an SPP replacing one of the traditional generators of similar capacity was integrated. Comparison of modelling results led to an increase in frequency deviation and frequency change rate at unbalanced active power in the power system.
1. Введение
Интеграция возобновляемых источников энергии (ВИЭ), таких как солнечные электростанции (СЭС), в энергосистемы становится все более распространенной практикой. Однако, в отличие от традиционных синхронных генераторов, ВИЭ не обладают естественной инерцией, что приводит к снижению устойчивости энергосистемы. Это особенно актуально для малых энергосистем, где даже незначительные изменения частоты могут привести к серьезным последствиям, включая отключение потребителей и аварии. В связи с этим исследование влияния интеграции СЭС на совокупную инерцию энергосистемы является важной задачей, требующей детального анализа.
В последние годы проблема снижения инерции энергосистем из-за интеграции ВИЭ активно изучается. В исследованиях , анализируются динамические свойства энергосистем с высокой долей ВИЭ, включая СЭС, и предлагаются подходы к улучшению их устойчивости. В статье обсуждаются проблемы интеграции ВИЭ в малые энергосистемы и предлагаются методы повышения их устойчивости. В работе обсуждаются проблемы управления частотой в энергосистемах с высокой долей ВИЭ и предлагаются алгоритмы для улучшения динамических характеристик. В исследованиях , рассматриваются методы моделирования и анализа энергосистем с СЭС, а в работах , предлагаются решения для повышения инерционности энергосистем с использованием виртуальной инерции.
Целью данного исследования является анализ влияния интеграции солнечной электростанции на совокупную инерцию энергосистемы и разработка рекомендаций по улучшению ее динамических свойств.
Задачи исследования:
1. Моделирование трехмашинной энергосистемы с традиционными синхронными генераторами и двухмашинной энергосистемы с СЭС в программном комплексе MATLAB/Simulink.
2. Анализ инерционных откликов энергосистемы при возмущениях, таких как отключение генератора.
3. Сравнение динамических свойств энергосистемы с традиционной генерацией и энергосистемы с СЭС.
4. Разработка рекомендаций по повышению инерционности энергосистемы с СЭС.
В статье использовались следующие методы и принципы исследования:
1. Имитационное компьютерное моделирование исследуемых процессов в программном комплексе MATLAB/Simulink.
2. Математический анализ.
3. Анализ российских и зарубежных научных работ по проблеме исследования.
4. Анализ документации (руководств пользователя) рассматриваемого программного комплекса MATLAB/Simulink.
2. Основные результаты
2.1. Низкая инерция солнечных электростанций
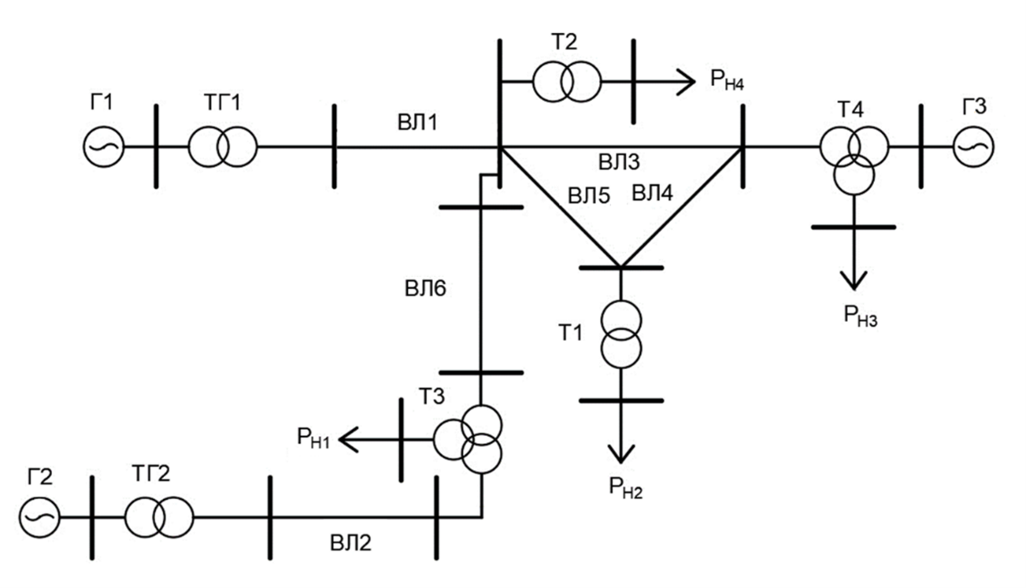
В рамках данной статьи для определения изменения совокупной инерции энергосистемы при замещении традиционных видов генерации на СЭС была рассмотрена трехмашинная модель энергосистемы. На рисунке 1 представлена расчетная схема энергосистемы.

Рисунок 1 - Расчетная схема энергосистемы
Для демонстрации снижения инерционности энергосистемы при замене генерации на базе синхронной машины на СЭС далее рассматриваются две схемы энергосистемы:
1. Трехмашинная энергосистема со следующими традиционными генераторами:
– генератор №1 — Pном = 60 МВт с выдачей активной мощности PTG1 = 9 МВт;
– генератор №2 — Pном = 80 МВт с выдачей активной мощности PTG2 = 30 МВт;
– генератор №3 — Pном = 120 МВт с выдачей активной мощности PTG3 = 40 МВт.
2. Двухмашинная энергосистема с солнечной электростанцией. В этой схеме генератор № 1 заменен на СЭС схожей мощности Pсэс = 9 МВт.
Соответственно, режим работы сети при замене традиционной генерации на СЭС аналогичной мощности практически не изменяется, что необходимо для получения достоверных результатов.
Общая кинетическая энергия вращательной массы системы и вращающихся нагрузок может быть найдена следующим образом :
где:
J — момент инерции;
w — частота вращения ротора.
На скорость изменения частоты ротора влияет баланс крутящего момента вращающейся массы:
где:
Pt — механический крутящий момент;
Pe – электрический крутящий момент.
Из (2) следует:
где:
Mt — механическая мощность;
Me — электрическая мощность.
Постоянная инерции системы характеризуется как отношение кинетической энергии к ее номинальной мощности:
где S — номинальная мощность системы.
Известно, что скорость изменения частоты зависит от инерции системы и начального дисбаланса мощности , . Следовательно, скорость изменения частоты рассчитывается следующим образом:
В свою очередь, Tj=2H откуда следует, что
Исходя из вышесказанного, получаем, что при одинаковом (Pt-Pe) скорость изменения частоты обратна пропорциональна постоянной инерции системы. Значит, основным параметром, по которому будет производиться оценка инерционности энергосистемы, является скорость изменения частоты вращения ротора dw/dt .
Таким образом, необходимо анализировать частоту вращения ротора одного из генераторов в обеих моделях (трехмашинной и двухмашинной с СЭС).
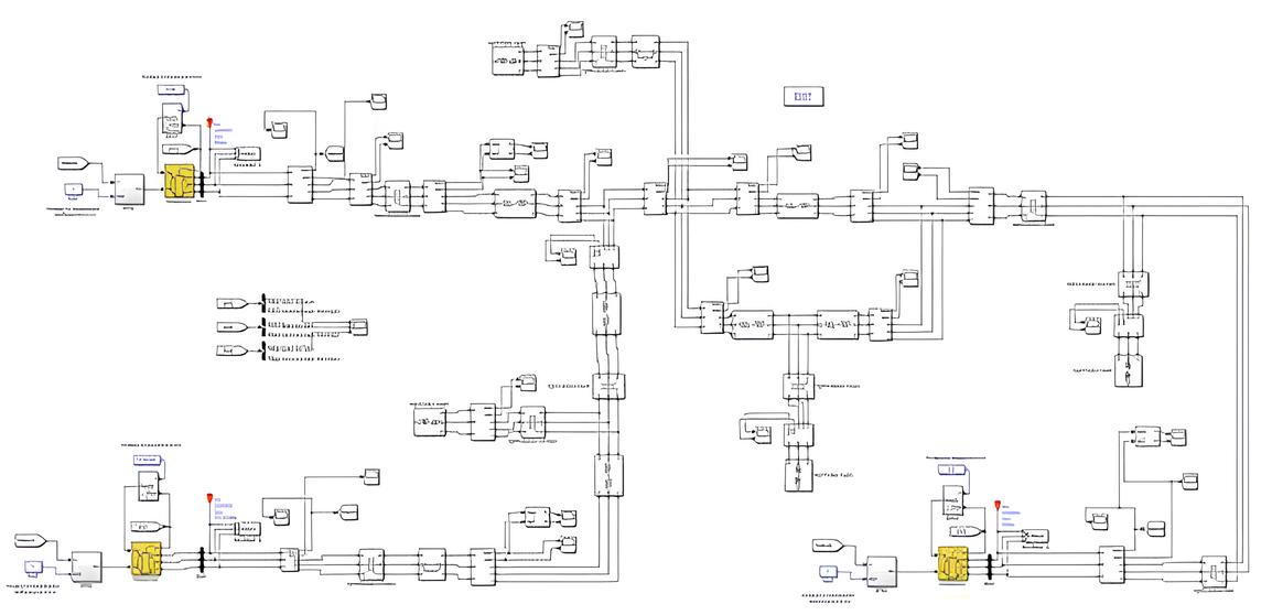
Ниже представлена модель трехмашинной энергосистемы (см. рис. 2) в MATLAB/Simulink, реализованная по расчетной схеме на рисунок 1.

Рисунок 2 - Модель трехмашинной энергосистемы в MATLAB/Simulink
В момент времени t = 20 с на рисунке 3 происходит отключение генератора № 2. АРС турбин оставшихся генераторов №1 и №3 пытаются стабилизировать частоту вращения и устанавливают её на уровень 0,995 о.е. На первом колебании происходит отклонение частоты от номинала до значения 0,9882 о.е., что соответствует значению f = 49,41 Гц.

Рисунок 3 - Определение dw/dt генератора № 3
2.2. Отключение генерации в двухмашинной модели с солнечной электростанцией

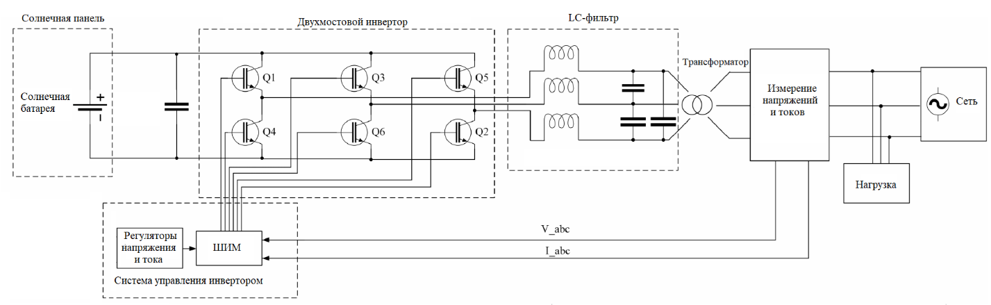
Рисунок 4 - Схема подключения СЭС к сети

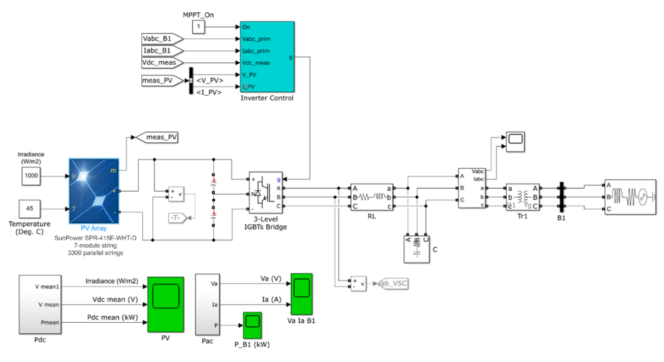
Рисунок 5 - Модель солнечной электростанции в MATLAB/Simulink
– солнечная батарея (SunPower SPR-415E-WHT-D);
– емкость на шинах постоянного тока;
– регулятор (Inverter Control);
– инвертор;
– фильтр;
– эквивалент питающей сети.
СЭС в данном случае состоит из 23100 фотоэлектрических панелей, 7 последовательных групп по 3400 батарей, соединенных параллельно, мощностью P = 415 Вт каждая, итого суммарная мощность СЭС:
Ниже представлена модель двухмашинной энергосистемы с СЭС (см. рис. 6) в MATLAB/Simulink.

Рисунок 6 - Модель системы с солнечной электростанцией

Рисунок 7 - Определение dw/dt генератора № 3
Определяем скорость изменения частоты dw/dt генератора № 3.
За время Δt = 20,46-20=0,46 с частота изменилась бы по касательной к графику на Δw = 1-0,9816=0,0184 о.е., тогда скорость изменения частоты генератора № 3:
2.3. Полученные результаты
На рисунке 8 приведены осциллограммы изменения частоты в обеих схемах при возникновении указанного возмущения.

Рисунок 8 - Частота вращения генератора №3 без СЭС (синий), с СЭС (красный)
Одним из способов повышения совокупной инерции является создание системы регулирования, реализующей виртуальную инерцию СЭС. Виртуальная инерция позволит эффективно увеличить инерционность системы, несмотря на необходимость создания резерва по активной мощности СЭС.
Новизна и оригинальность работы:
1. Проведено детальное моделирование и анализ динамических свойств энергосистемы с СЭС, что позволяет оценить влияние интеграции ВИЭ на инерцию системы.
2. Предложен подход к повышению инерционности энергосистемы за счет внедрения систем виртуальной инерции, что является актуальным решением для современных энергосистем с высокой долей ВИЭ.
3. Результаты исследования могут быть использованы проектными организациями и генерирующими компаниями для оптимизации работы энергосистем с СЭС.
3. Заключение
Проведенное исследование подтверждает, что интеграция солнечных электростанций в энергосистему снижает ее совокупную инерцию, что требует разработки новых подходов к управлению частотой и мощностью. Одним из перспективных направлений является внедрение систем виртуальной инерции, которые могут компенсировать недостаток естественной инерции и повысить устойчивость энергосистемы.
