Разработка поилки с композиционным нагревателем, оптимизированным по критерию максимума информационной энтропии
Разработка поилки с композиционным нагревателем, оптимизированным по критерию максимума информационной энтропии
Аннотация
Поддержание оптимального температурного режима воды в системах поения сельскохозяйственных животных в зимний период является критически важной задачей для обеспечения их продуктивности и здоровья. Традиционные системы обогрева на основе трубчатых электронагревателей (ТЭН) обладают рядом недостатков: высокое энергопотребление, локальный перегрев, подверженность коррозии и образованию накипи, а также низкая ремонтопригодность. Разработка энергоэффективных, надежных и безопасных решений на основе современных материалов и методов автоматизации представляет собой актуальное научно-техническое направление. Разработка конструкции интеллектуальной системы обогрева поилок, использующей в качестве нагревательного элемента гибкий низкотемпературный композит на основе бутилкаучука, наполненного техническим углеродом (БК/ТУ), и оснащенной микроконтроллерной системой управления.
В ходе работы применялся комплекс методов: анализ литературных и патентных источников; инженерное проектирование конструкции поилки с распределенной греющей системой (донной и боковой панелями). Разработана принципиальная конструкция поилки, где в качестве активного нагревательного элемента применен прямоугольный, влагостойкий композит БК/ТУ, работающий в низкотемпературном режиме (40–60 °C). Для выбора композиционного обогревателя была применена методика, основанная на информационной энтропии, применен математический аппарат для определения количественного значения энтропии, значения энтропии сопоставлены с состоянием проводящей сетки, механизм проводимости, приведена визуальная аналогия.
Создана схема на базе микроконтроллера производства ОВЕН, обеспечивающая поддержание заданной температуры воды (3–8 °C) с учетом её уровня, реализующая энергосберегающие алгоритмы циклической работы и комплекс защит (перегрева, нарушения целостности цепи). Гибкость и химическая стойкость элемента БК/ТУ повышают долговечность и ремонтопригодность системы. Полученные результаты являются основой для дальнейшего внедрения в сельскохозяйственном производстве.
1. Введение
Обеспечение свободного доступа лошадей к воде оптимальной температуры (+7…+12 °C) является критически важным зоотехническим и физиологическим требованием при зимнем содержании, особенно при организации пастбищно-стойлового или круглосуточного выгульного содержания (рис. 1). Физиологически потребление холодной воды (с температурой, близкой к 0 °C) запускает у лошади ряд энергозатратных компенсаторных механизмов. Для согревания поступившей в желудочно-кишечный тракт жидкости до температуры тела (около 38 °C) организм вынужден расходовать значительные внутренние энергоресурсы. Это приводит к прямому перерасходу метаболизируемой энергии корма, которая могла бы быть направлена на поддержание живой массы, работоспособности, роста молодняка или лактации у кобыл. Согласно исследованиям, потребность в поддерживающей энергии у лошадей при поении ледяной водой может возрастать на 15–25% по сравнению с поением водой оптимальной температуры , .

Выгульное содержание лошадей в Алтайском крае Баевского района
Ключевые проблемы традиционных систем :
1. Локальный перегрев и образование накипи. ТЭНы характеризуются высокой удельной мощностью и точечным тепловыделением.
2. Нерациональное распределение тепла. Вода в непосредственной близости от нагревателя может перегреваться, а в удаленных уголках поилки — замерзать.
3. Сложность ремонта и обслуживания. Замена вышедшего из строя ТЭНа требует полного опорожнения поилки, демонтажа узлов, часто в условиях отрицательных температур.
В этой связи перспективным направлением представляется переход к системам распределенного обогрева на основе гибких низкотемпературных нагревателей на полимерной матрице . Принцип их действия основан на Джоулевом нагреве всего проводящего полотна, а не отдельной спирали. Это позволяет:
· Равномерно обогревать большую площадь, устраняя «холодные зоны» и обеспечивая конвекционный прогрев всего объема воды.
· Работать в безопасном низкотемпературном режиме (обычно 40–70 °C поверхности), что кардинально снижает риск ожогов, исключает «пригорание» органических взвесей и существенно замедляет процесс образования накипи.

Композиционный обогреватель на основе бутилкаучука
· Эластичность и гибкость.
· Химическая и влагонепроницаемость.
· Стабильные резистивные свойства.
Цель исследования: разработка и исследование поилки с интегрированным композиционным нагревателем и системой управления, обеспечивающей энергоэффективный режим.
Задачи исследования:
1. Спроектировать конструкцию поилки с распределенным нагревательным элементом.
2. Разработать и апробировать методику выбора оптимального образца композиционного материала по критерию максимума информационной энтропии Шеннона.
3. Реализовать систему автоматического управления температурным режимом на базе программируемого терморегулятора ТРМ500.
2. Объекты и методы исследования
1. Поилка: конструкция из пищевой нержавеющей стали, в стенки которой интегрированы панели композиционного нагревателя.
2. Композиционный нагреватель: система «бутилкаучук — технический углерод марки N220».
3. Система управления: на базе терморегулятора ТРМ500, датчиков Pt100.
Для получения данных применены: сканирующая электронная микроскопия (SEM), анализ на основе информационной энтропии (по Шеннону).
3. Основные результаты
Спроектирован и изготовлен экспериментальный образец поилки, корпус которой представляет собой открытый сверху прямоугольный бак. Основные конструктивные параметры приведены в таблице 1.
Таблица 1 - Основные параметры корпуса опытной поилки
Параметр | Значение / Материал |
Габаритные размеры (Д×Ш×В) | 700 × 400 × 400 мм |
Полезный объем | 100 л |
Материал корпуса | Нержавеющая сталь AISI 304 (пищевая), толщина 0,8 мм |
Конструктивные особенности | Конструкция предоставляет собой не сложное сварное изделия из нержавеющей стали, размеры могут варьироваться в соответствии с поставленными задачами |

Конструкция поилки для лошадей в зимней период
1. Донный контур: панель площадью 0,28 м², расположенная под всей площадью дна.
2. Боковой (поясной) контур: две панели общей площадью 0,56 м², закреплённые на боковых стенках на высоте до 150 мм от дна.
Суммарная активная площадь нагрева составила 0,84 м². Каждый контур питается от сети переменного тока ~220 В через магнитный контактор, управляемые контроллером ТРМ500.
Датчик температуры установлен в защитной гильзе в угловой зоне бака, наиболее подверженной охлаждению. Использован погружной полупроводниковый датчик температуры ОВЕН ДТСPT100 с диапазоном измерений -55…+125 °C, выходом по интерфейсу 1-Wire и погрешностью ±0,5 °C. Для контроля минимально допустимого уровня воды применён датчик уровня, соответствующей 15% полезного объёма.
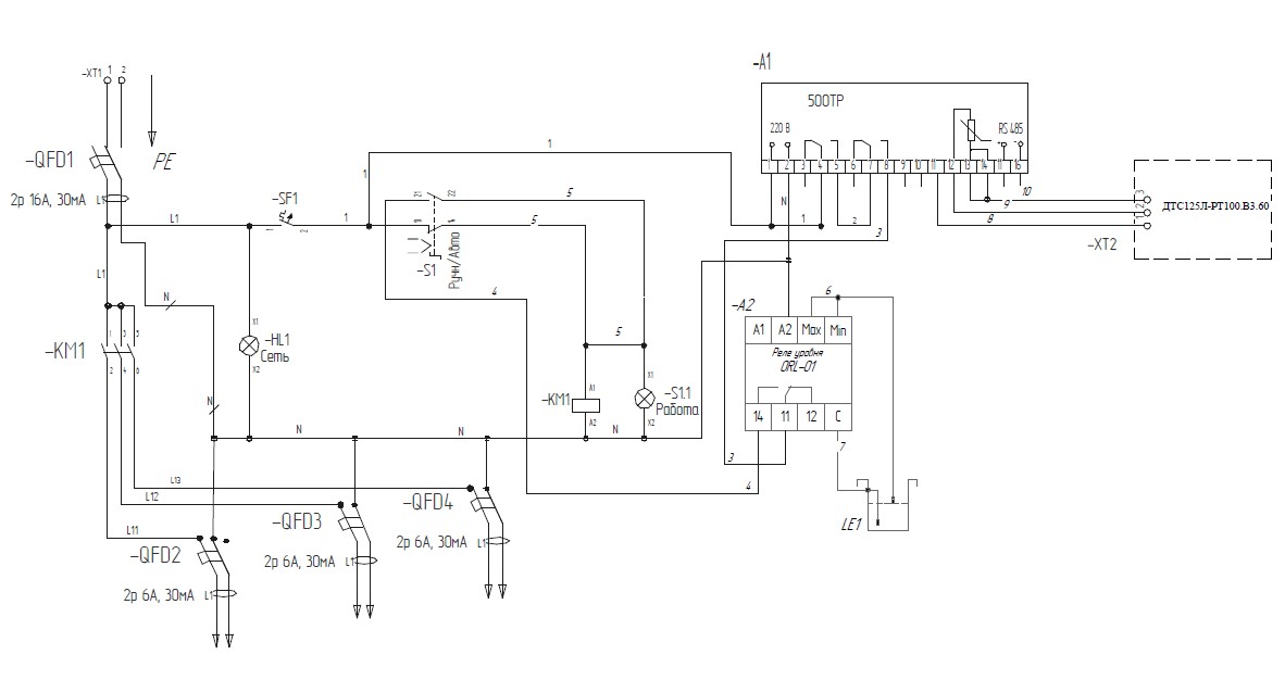
Для автоматизации работы и состояния поилки разработана электрическая принципиальная схема на базе контролера ТРМ500 (рис. 4).

Принципиальная электрическая схема управления поилкой
Центром управления является программируемый логический контроллер ОВЕН ТРМ500, осуществляющий опрос датчика температуры. Выполнение алгоритма происходит по двухпозиционному закону с уставкой +8 °C и гистерезисом 2 °C. В схеме для защиты животных от поражения электрическим током предусмотрены автоматические выключатели дифференциального тока.
На производственном предприятие ООО «Энергоэффекттехнология», были изготовлены три опытных образца, по различным рецептурным картам. Одним из главных различий, при производстве электропродоящего слоя в композиционном обогревателе было изменения время смешения. Для выбора лучшего нагревательного элемента из трёх опытных образцов композита «бутилкаучук — технический углерод» применили методику оценки однородности микроструктуры. В основе методики — расчёт информационной энтропии по Шеннону на бинаризованных СЭМ-изображениях поперечных срезов, опираясь на подходы из теории информации, изложенные в работе А.В. Машкина . Сама методика состоит из пяти этапов.
Этап № 1. Подготовительный этап. Проводится СЭМ-анализ на приборе с разрешающей способностью не менее 5 000x (оптимально 10 000–20 000x) для визуализации первичных агрегатов технического углерода (ТУ).
Этап № 2. Предварительная обработка изображения. На данном этапе проводится устранение артефактов, подготовка к сегментации, фильтрация шума, улучшение локального контраста.
Этап № 3. Сегментация. На этапе сегментации строится и анализируется гистограмма распределения яркости предобработанного изображения для различных трех образцов (рис. 5). По оси ординат количество пикселей в %, по оси абсцисс, яркость в диапазоне 0-255.

Гистограмма распределения яркости
Для бинарного изображения B размером MхN пикселей:
Вероятность доли фазы наполнителя :
Информационная энтропия Шеннона:
Тогда с учетом формулы (1) и (2) количественная оценка однородности распределения наполнителя :
Этап № 5. Интерпретация результатов. Для трех образцов была рассчитана энтропия бинарного изображения по формуле (3):
Для образца № 1 значение энтропии близко к минимальному. Низкая энтропия характерна для сильной агломерации или расслоения фаз: наполнитель сконцентрирован в крупных, хорошо различимых кластерах, разделённых областями чистой полимерной матрицы.
Для образца № 2 среднее значение энтропии указывает на умеренную неопределённость в распределении фаз. Это соответствует хорошо развитой сетчатой структуре, где наполнитель образует разветвлённую проводящую сетку без выраженной агломерации. Такое состояние системы является оптимальным для большинства функциональных свойств композита.
Для образца № 3 значение энтропии близко к теоретическому максимуму (1 бит), что свидетельствует о максимальной неопределённости (хаотичности) системы. Распределение наполнителя идеально однородно и случайно; столь высокая энтропия достигается при доле наполнителя p=0. Для системы «бутилкаучук — технический углерод» это может означать либо недостаточную концентрацию проводящей фазы для формирования сплошной сетки (близко к порогу перколяции), либо избыточно мелкодисперсное распределение, не обеспечивающее формирования устойчивых проводящих цепей.
Таким образом из трех приведенных образцов в качестве нагревательного элемента рекомендуется использовать образец № 2.
Применение в качестве нагревательного элемента композиционного обогревателя с электропроводящим материалом из технического углерода по сравнению с ТЭН при равной мощности, позволит:
– за счет равномерного нагрева воды, греются стенки и донный контур, в отличие от погружного ТЭНа, обезопасить животных от ожогов, добиться равномерно нагрева воды;
– животные будут получать чистую воду, за счет отсутствия прямого контакта композиционного обогревателя с водой, не будет следов накипи и частиц железа.
4. Обсуждение
Результатами исследования являются: подтвержденная экспериментально стабильность поддержания заданного температурного режима воды разработанной системой. График двухпозиционного регулирования температуры наглядно демонстрирует принцип работы системы управления обогревом (рис. 6 а, б).
Алгоритм работы температурного контроллера ТРМ500:
Если температура < (Уставка 8 °C – Гистерезис 2 °C) → НАГРЕВ ВКЛ → U = 100%.
Если температура > (Уставка 8 °C + Гистерезис 2 °C) → НАГРЕВ ВЫКЛ → U = 0%

График регулирования температуры
а) регулирование по двухпозиционному закону; б) зависимость мощности от времени работы нагревателя
Для выбора композиционного обогревателя применен метод информационной энтропии, который позволил количественно дифференцировать по критерию оптимальности структуры для целевой функции. Для нагревательного элемента на основе полимерного композита оптимальной является не максимальная случайность (H→1), а структура с развитой, но не избыточной, перколирующей сеткой, соответствующая диапазону H ≈ 0,56–0,85 бит. Образец № 2 (H=0,66 бит) попадает в этот диапазон и был выбран для дальнейшего использования, так как его микроструктура гарантирует равномерное тепловыделение, стабильность параметров и, как следствие, надёжность работы всей системы обогрева поилки. В таблице 2 приведены основные значения энтропии с качественными показателями композиционных материалов.
Таблица 2 - Показатели энтропии
Энтропия H, бит | Качественная оценка однородности | Состояние проводящей сетки | Механизм проводимости | Визуальная аналогия |
0,00–0,30 | Неудовлетвори тельная Выраженная агломерация | Изолированные кластеры, нет перколирующей сетки | Туннелирование между близкими агломератами | Крупные тёмные острова в светлом море |
0,31–0,55 | Плохая Локальная неоднородность | Фрагментированные проводящие пути, высокое сопротивление | Комбинация туннелирования и ограниченной перколяции | Несколько соединённых кластеров |
0,56–0,70 | Удовлетворительная Начало/граница перколяции | Формируется бесконечный кластер, но с «узкими местами» | Перколирующая сетка с высоким сопротивлением переходов | Паутина с тонкими нитями |
0,71–0,85 | Хорошая Оптимальная дисперсность | Развитая однородная сетка, минимальное сопротивление | Идеальная перколирующая сетка с малым сопротивлением контактов | Равномерная мелкая сетка |
Показано, что высокая энтропия структуры (соответствующая её максимальной неупорядоченности) приводит к тому, что электропроводность материала становится статистически нестабильной величиной, что делает такой материал непригодным для использования в прецизионных электротехнических системах, требующих высокой повторяемости параметров.
Для оценки стабильности и надежности поилки с композиционным обогревателем, в зимний период были проведены испытания, результаты приведены на рисунке 7:

Изменение электрических и тепловых параметров композитного нагревателя в течение 5 месяцев непрерывной эксплуатации
Из рисунка видно, что отклонение сопротивления не превышает +1,1%, тока 1,2%, что может свидетельствовать о высокой стабильности электропроводящего материала, использованного при изготовлении композиционного обогревателя.
Экономические показатели сравнения поилки с композиционным обогревателя и обогревателя с ТЭНом представлены в таблице 3:
Таблица 3 - Экономические показатели сравнения поилки с композиционным обогревателя и обогревателя с ТЭНом
Параметр | Композитная поилка | Поилка с ТЭНом |
Потребляемая мощность (средняя в режиме нагрева), Вт | 300 | 360 |
Капитальные затраты | 71000 | 62000 |
Стоимость электроэнергии, руб./кВт*ч | 7,07 | 7,07 |
Срок службы, лет | 10 (не требует замены) | 3 (замена каждые 3 года) |
Стоимость замены ТЭНа (с работой), руб. | 0 | 3000 |
Очистка от накипи (раз в год для ТЭНа), руб./год | 0 | 500 (материалы + работа) |
Коэффициент включения (доля времени работы нагрева в сутки) | 0,5 (12 ч/сутки) | 0,575 (из-за большего гистерезиса и точечного нагрева, +15%) |

Совокупная стоимость владения за 10 лет для поилки с композитным нагревателем и поилки с ТЭНом
5. Заключение
1. Разработана конструкция энергоэффективной поилки с интегрированным композиционным нагревателем.
2. Предложена и апробирована методика объективного выбора оптимального образца токопроводящего полимерного композита на основе максимизации информационной энтропии распределения яркости на микрофотографиях, что обеспечивает равномерность тепловыделения.
3. Спроектирована и реализована надежная система автоматического управления на базе промышленного терморегулятора ТРМ500.
4. Рассчитан экономический эффект от внедрения поилки с композиционным обогревателем.
