Совершенствование системы управления для поддержания температуры раствора карбамида в узле дистилляции
Совершенствование системы управления для поддержания температуры раствора карбамида в узле дистилляции
Аннотация
В статье рассматриваются вопросы разработки эффективной системы управления узлом дистилляции, позволяющей поддерживать значения температуры раствора карбамида на выходе из дистиллятора среднего давления в границах, определенных регламентом. Авторы отмечают, что повышение температуры приведет к образованию биуретов, нарушению протекания процесса дистилляции и понижению качества карбамида на выходе. Что доказывает актуальность рассматриваемой темы и необходимость разработки эффективной системы управления. Анализ технологического процесса как объекта управления, позволил выявить наиболее важные объекты технологической схемы и определить возможные внешние возмущающие воздействия. Выполнена оценка существующих технический решений, реализованных для дистиллятора среднего давления. Отмечены недостатки. Предложена концепция автоматизированной системы управления, позволяющая выполнить компенсацию возмущающих воздействий, а следовательно, повысить качество процесса дистилляции.
1. Введение
Процесс производства карбамида, также известного как мочевина, начинается со смешивания аммиака и углекислого газа под давлением и при высокой температуре в реакторе
. В результате реакции получают карбамидную смолу, которая затем подвергается процессу охлаждения и кристаллизации с последующим получением чистого кристаллического карбамида. Для улучшения качества продукции и повышения эффективности процесса могут применяться дополнительные этапы очистки и обработки.Полученный карбамид широко используется в качестве удобрения, а также в производстве пластмасс, лекарственных препаратов и в других отраслях промышленности
, .Основные узлы технологического процесса карбамида представлены:
– установкой компрессии диоксида углерода;
– узлом синтеза карбамида;
– узлом дистилляции;
– грануляцией карбамида.
В данной статье рассматривается узел дистилляции. В производстве карбамида на стадии дистилляции выполняется очистка и разделение полученной карбамидной смолы, что позволяет устранить примеси и другие остаточные соединения и тем самым способствует получению более чистого и высококачественного продукта.
При реализации управления узлом дистилляции на производстве могут возникнуть следующие проблемы:
1. Непрореагировавший аммиак, образующийся в дистилляторе, является токсичным, горючим и взрывоопасным веществом. Некорректная эксплуатация может нанести ущерб производству и персоналу.
2. Колебания температуры и расхода поступающего в аппарат раствора, а также температуры конденсата пара могут способствовать температурным отклонениям внутри дистилляторов. В свою очередь, это может привести как к образованию побочных продуктов, так к снижению эффективности производства.
Целью работы является предложение концепции эффективной системы управления узлом дистилляции, позволяющей поддерживать значения технологических параметров рассматриваемого процесса в границах, определенных регламентом, обеспечивая компенсацию внешних возмущающих воздействий, с целью повышения качества карбамида.
Для достижения поставленной цели необходимо решить следующие задачи:
1. Выполнить анализ дистиллятора как объекта управления.
2. Оценить технические решения, существующие в настоящее время. Выявить возможные проблемы и недостатки в управлении рассматриваемым процессом.
3. Сформировать технические предложения по проектированию автоматизированной системы контроля и управления аппаратами в рамках узла.
Анализ процесса как объекта управления выполнен с применением его формализованного описания путем разработки математической модели. Математическая модель построена на основе аналитического подхода, с использованием фундаментальных законов сохранения вещества и энергии , .
2. Основные результаты
Объектом управления является дистилляция раствора карбамида. Рассматриваемый процесс относится к непрерывным химико-технологическим процессам, не является взрывоопасным и пожароопасным, класс взрывоопасной зоны определен как АН
.Принципиальная технологическая схема процесса включает следующие аппараты:
– дистиллятор среднего давления (СД);
– дистиллятор низкого давления (НД);
– сепаратор карбамата НД;
– напорный бак контура охлаждения конденсатора НД;
– конденсатор карбамата НД (вертикальный кожухотрубчатый теплообменник);
– холодильник циркуляционного конденсата узла НД (пластинчатый теплообменник).
Основными аппаратами в процессе являются дистилляторы СД поз. ТС-201 и НД поз. КТ-301, изображенные на рисунках 1 и 2 соответственно.

Рисунок 1 - Дистиллятор СД поз. ТС-201

Рисунок 2 - Дистиллятор НД поз. КТ-301
Раствор карбамида с концентрацией 45÷50 % дросселируется до давления 2,3÷2,7 МПа и направляется в подогреватель дистиллятора среднего давления, где он подогревается до температуры 145÷149 °C и попадает в сепарационную часть. Отделившаяся газовая фаза в виде аммиака, диоксида углерода направляется в межтрубное пространство рекуперативного подогревателя раствора карбамида. Раствор дросселируется до давления 0,2÷0,4 МПа и направляется в узел дистилляции низкого давления .
Аппарат дистилляции низкого давления КТ-301 представляет собой совмещенные зоны массообмена (вертикального колонного типа с внутренними устройствами) и теплообмена (вертикального кожухотрубного типа с падающей пленкой) и работает под давлением 0,2÷0,4 МПа. В массообменной зоне происходит насыщение восходящей газовой фазы аммиаком и диоксидом углерода, испаряющихся из нисходящего раствора, и обеднение водой, которая конденсируется в раствор. Газовая фаза из дистиллятора низкого давления КТ-301 с температурой 105÷115 °C направляется в конденсатор Т-302. Раствор поступает в трубы теплообменной части, и под действием греющего агента при температуре 130÷140 °C из него выделяются аммиак, диоксид углерода и вода. После конденсатора низкого давления Т-302 газожидкостная смесь направляется на разделение .
Исследование закономерностей протекания процессов в данных аппаратах, позволили сделать выводы о наличии потенциальных «узких» мест в системе, что, в свою очередь, стало основой для выбора наилучшей концепции автоматизированной системы управления .
При анализе дистилляторов СД и НД отмечается, что они являются многомерными объектами управления с сосредоточенными параметрами.
Математическая модель, описывающая процессы происходящие в дистилляторе СД, составлена анатомическим способом с учетом ряда допущений:
– параметры выходного потока совпадают с параметрами жидкости внутри аппарата;
– теплофизические свойства входных потоков, выходного потока и жидкости внутри аппарата совпадают и не зависят от температуры;
– потери вещества и энергии во внешнюю среду отсутствуют;
– расходы конденсата на входе и выходе из аппарата равны.
В основу модели заложены уравнения теплового баланса и материального баланса по жидкой фазе. Математическая модель объекта управления с учетом начальных условий будет иметь вид:
где
h — уровень раствора карбамида в аппарате.
В дистилляторе СД поз. ТС-201 регулируемыми параметрами являются уровень и температура раствора карбамида на выходе из аппарата. Поддержание уровня раствора карбамида осуществляется за счет изменения расхода раствора карбамида на линии выхода его из аппарата ТС-201. Температура раствора на выходе из дистиллятора регулируется за счет изменения расхода парового конденсата из межтрубного пространства, выходящего из подогревателя, и расхода парового конденсата из стриппера, поступающего в подогреватель дистиллятора. Полученная информационная схема объекта управления, отражающая регулируемые параметры, управляющие и возмущавшие воздействия, представлена на рисунке 3.

Рисунок 3 - Информационная схема дистиллятора СД ТС-201

Рисунок 4 - Информационная схема дистиллятора НД КТ-301
Результаты анализа технологического процесса, как объекта управления, демонстрируют наличие в дистилляторе СД поз. ТС-201 возмущающих воздействий, которые могут оказывать существенное влияние на время регулирования температуры раствора карбамида и/или на качество готового раствора. Принято решение о необходимости разработки системы компенсации выявленных возмущающих воздействий.
3. Обсуждение
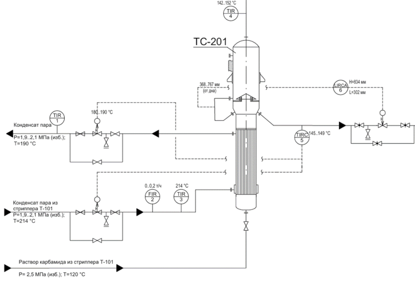
Текущие технические решения в области КИПиА для аппарата поз. ТС-201 представлены на рисунке 5.

Рисунок 5 - Функциональная схема автоматизации дистиллятора СД
На данный момент, на линии вывода раствора карбамида из аппарата не производится контроля его плотности, так же как на линии подачи в аппарат. Реализовано только измерение температуры раствора на выходе из аппарата. Подача в реактор раствора с температурой выше предполагаемой (выше 120°C), может привести к его перегреву и, как следствие, образованию биуретов, нарушению протекания процесса дистилляции и понижению качества карбамида на выходе.

Рисунок 6 - Алгоритм вычисления управляющего воздействия существующей системы
где

Рисунок 7 - Алгоритм вычисления управляющего воздействия предлагаемой системы управления

Рисунок 8 - Математическая модель в среде Simulink
Выполнен расчет показателей качества процесса управления для рассматриваемых систем. По результатам анализа полученных показателей качества регулирования (табл. 1) установлено, что время регулирования и интегральный квадратичный критерий достигают наименьшего значения для системы с применением комбинированного управления.
Таблица 1 - Критерии качества регулирования
Критерии | Система с управлением по отклонению | Комбинированная система управления |
Статическая ошибка регулирования | 0 | 0 |
Время регулирования | 34900 | 5370 |
Интегральный квадратичный критерий | 6,179·109 | 9,277·108 |

Рисунок 9 - Графики переходных процессов
Примечание: 1 – переходная характеристика, полученная для системы с принцип управления по отклонению; 2 – переходная характеристика, полученная для комбинированной системы
4. Заключение
В статье были рассмотрены вопросы разработки эффективной системы управления узлом дистилляции, позволяющей выполнить компенсацию внешних возмущающих воздействий, с целью повышения качества карбамида.
Анализ дистилляторов СД и НД как объектов управления позволил выявить возмущающие воздействия, возникающие в процессе и оказывающие весомое вливание на качество производимого продукта.
Оценив существующую систему управления, отмечено отсутствие технических решений, позволяющих компенсировать влияние возмущающих воздействий, связанных с изменением концентрации и температуры раствора карбамида на входе в дистиллятор СД.
Предложено вырабатывать управляющее воздействие для регулирования температуры карбамида на выходе из дистиллятора СД с учетом значений плотности раствора карбамида и температуры на входе в аппарат.
