ДИСТАНЦИОННОЕ УПРАВЛЕНИЕ СИСТЕМОЙ КАПЕЛЬНОГО ОРОШЕНИЯ ПЛОДОВЫХ, ЯГОДНЫХ И ОВОЩНЫХ КУЛЬТУР В ОТКРЫТОМ ГРУНТЕ
ДИСТАНЦИОННОЕ УПРАВЛЕНИЕ СИСТЕМОЙ КАПЕЛЬНОГО ОРОШЕНИЯ ПЛОДОВЫХ, ЯГОДНЫХ И ОВОЩНЫХ КУЛЬТУР В ОТКРЫТОМ ГРУНТЕ
Аннотация
Дистанционное управление системой капельного орошения найдет применение при капельном поливе плодовых, ягодных и овощных культур в открытом грунте. Целью проведенного исследования является разработка способа дистанционного управления системой капельного орошения путём оперативного сбора показателей комплексных измерительных приборов с применением новейших средств передачи информации и связи, с последующим анализом полученных данных в режиме реального времени. Дистанционное управление системой капельного орошения представляет собой инновационное решение, которое найдет широкое применение при капельном поливе различных сельскохозяйственных культур, включая плодовые, ягодные и овощные растения, выращиваемые в открытом грунте. В условиях современного сельского хозяйства, где эффективность использования водных ресурсов становится все более актуальной, такая система может значительно повысить продуктивность и устойчивость агросектора. Предлагаемая авторами система капельного орошения с дистанционным управлением включает измерение влажности и температуры почвы на заданных глубинах, а также измерение температуры и влажности воздуха при помощи мобильных метеостанций со встроенным GRSM-модулем. Удалённое управление орошением осуществляется оператором после анализа данных, полученных с мобильных метеостанций со встроенным GRSM-модулем. Оператор с помощью современных средств связи и передачи информации посылает сигнал включения погружного насоса на его промежуточное Wi-Fi реле, тогда как на промежуточное(-ые) Wi-Fi реле запорного электроклапана поступают сигналы открытия сопредельных запорных электроклапанов. Использование системы удалённого управления орошением подразумевает разделение земельного участка на зоны, каждая из которых оснащена мобильной метеостанцией с модулем GRSM. Это позволяет осуществлять одновременный полив территорий с различной структурой почвы и рельефом. Проведя анализ собранных с конкретной мобильной метеостанций данных, оператор передаёт сигнал на промежуточное Wi-Fi реле запорного электроклапана, регулирующего режим работы электроклапана орошаемого участка, на котором располагается эта метеостанция.
1. Введение
В век развития цифровых технологий элементы дистанционного управления проникают во все сферы нашей жизни. Дистанционное управление процессом орошения, предполагающее применение полуавтоматизированного оборудования, частично освобождает человека от участия в технологическом процессе, возлагая на оператора только контроль, является достаточно новым техническим решением , , , .
2. Методы и принципы исследования
В качестве исходных материалов при формировании концепции, подходов и методов осуществления дистанционного управления капельным орошением послужил анализ существующих технических решений, изложенных в патентах на изобретения.
В настоящее время уже существует устройство, автоматизирующее управление процессом полива . Его составными элементами выступают 3 узла: во-первых, пороговый блок, определяющий уровень влажности грунта; во-вторых, датчики влажности, устанавливаемые на контрольных точках. Третьим составным элементом является блок памяти с реверсивными и кольцевыми счётчиками (устанавливает длительность орошения на основании получаемых данных). За его управление отвечают 3 конструктивных элемента: блок управления исполнительными механизмами полива, генератор, счётчик уже орошённых зон. Для иных участков поля переключение на орошение производится формирователем импульсов, логическими схемами «ИЛИ» и одновибратором. Рассматриваемая система имеет ряд существенных недостатков: её конструктивные особенности не позволяют производить одновременное капельное орошение всех участков поля; они также не подразумевают использование системы единовременно при различных нормах орошения. Помимо этого, предложенная система не способна учитывать рельефные особенности участка.
Полуавтоматизация орошения грунта приусадебных хозяйств возможна с применением специализированного устройства . Его конструкция представляет собой водонапорный бак с водоотводными каналами, которые соединены между собой распределительными вентилями. Вода в бак поступает из местного/общественного водопровода по трубопроводу, оборудованному специальными устройствами для авторегулирования подачи воды. Ключевым минусом такой системы является невозможность равномерного орошения ввиду отсутствия устройств объективного контроля уровня влажности грунта и регулирования режима орошения.
В условиях теплицы применима методика автоматического управления капельным поливом , , . Её работа заключается в получении данных о количестве влаги, содержащейся в грунте, с дальнейшим расчётом необходимого объёма воды для соответствия поливной норме и орошением. Однако в такой системе не берётся во внимание факт того, что скорость иссушения почвы напрямую зависит от температуры и уровня влажности атмосферного воздуха. Названый недостаток может привести к нецелесообразному отключению или включению систем полива. К примеру, работник может прекратить орошение грунта в условиях повышенной температура воздуха с низким содержанием влаги, тогда как орошённый грунт стремительно будет терять влагу ввиду интенсивного её испарения. Ситуация также может быть обратной, что поставит грунт под угрозу переувлажнения почвы, гибели растительности. Помимо этого, предложенная система не применима в условиях открытого грунта из-за отсутствия возможности приема и передачи сигналов от датчиков к пороговому блоку и реле включения поливной установки. Применение изолированного проводника в условиях орошения в открытом грунте также создаст определенные сложности при механизации.
Методика управления работой системы орошения, оснащённой средствами автоматизации, и её контроля , основана на данных о наличии и интенсивности осадков, а также об уровне влажности грунта. На основании их анализа оборудование включается или выключается. При этом данный способ управления допускает возможность обезвоживания почвы или же её переувлажнения ввиду отсутствия у оператора актуальных данных с датчиков и возможности дистанционного управления, что является серьёзным недостатком. Это связано с тем, что настоящая методика не подразумевает оперативной передачи данных с датчиков оператору в режиме реального времени. При этом датчиками не учитываются уровень влажности и температура воздуха на анализируемом участке.
3. Результаты и обсуждение
Прототипом разработанного в ходе настоящей работы устройства является механизм полуавтоматизации полива , который представляет собой систему из средства орошения, присоединённого трубопроводом к водонапорному сооружению через блок клапанного распределения, и блока управления режимами полива (снабжён датчиком, выход которого соединён с входом блока управления режимами полива, что позволяет контролировать расход воды). Недостатком такого устройства автоматического полива растений, снабженного датчиком, является невозможность определения необходимости полива в различных типах почвогрунта и для различных видов сельскохозяйственных растений.
В результате анализа существующих способов автоматизации процесса орошения почвы было выявлено, что первостепенной задачей является разработка методов дистанционного управления системами капельного орошения с учётом различий в структурах почв, рельефе, а также в нормах орошения различных растений. Необходимо применение инновационных средств передачи данных, связи, комплексных измерительных приборов.
Техническим результатом инновационной разработки является обеспечение единовременного орошения всего поля с учётом различий почвенных структур, рельефов различных земельных участков, а также различий норм орошения всевозможных культур. Для достижения заданного результата необходима разработка устройства удалённого капельного орошения, состоящее из следующих узлов: водонапорное сооружение, средство для орошения (соединены трубопроводами через блок клапанного распределения), блок регулировки режима орошения (оснащён промежуточными Wi-Fi реле насоса и электроклапанов, мобильными метеостанциями с модулем GPRS).
GPRS-модуль собирает информацию о наличии осадков и их интенсивности, температуре грунта и воздуха, их влажности с дальнейшим незамедлительным дистанционным изменением режима орошения. Помимо этого, функциональность данного модуля отражена в возможности учёта структуры грунта, рельефа местности при увеличении количества мобильных метеостанций, в которые встроен модуль GPRS.
Немаловажным достоинством рассматриваемой системы является простота в конструкции и эксплуатации. Так как механизм не содержит сложных элементов, а связь является беспроводной, обслуживание и механизация значительно упрощаются.

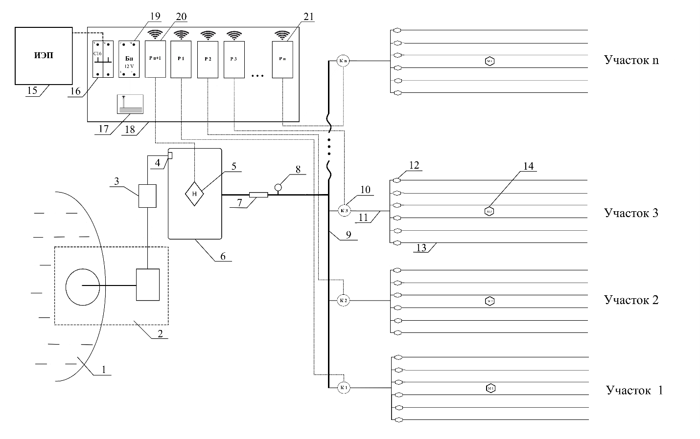
Рисунок 1 - Принципиальная схема капельного орошения с удалённым управлением
Примечание: 1 – источник орошения; 2 – насосная станция; 3 – система фильтров; 4 – впускной поплавковый клапан для автоматического заполнения; 5 – погружной насос; 6 – резервуар-накопитель; 7 – система фильтров тонкой очистки; 8 – манометр; 9 – магистральный трубопровод; 10 – запорный электроклапаны; 11 – распределительный трубопровод; 12 – редукторы давления; 13 – поливной трубопровод с интегрированными / встраиваемыми капельницами; 14 – мобильные метеостанции; 15 – источник электропитания; 16 – вводной автомат; 17 – интернет-центр с модемом 4G и Wi-Fi модулем; 18 – электрощитовая; 19 – блок питания; 20 – промежуточное Wi-Fi реле насоса; 21 – промежуточное Wi-Fi реле запорного электроклапана

Рисунок 2 - Принципиальное устройство электрощитовой
Примечание: 1 – источник орошения; 2 – насосная станция; 3 – система фильтров; 4 – впускной поплавковый клапан; 5 – погружной насос; 6 – резервуар-накопитель; 7 – система фильтров тонкой очистки; 8 – манометр; 9 – магистральный трубопровод; 10 – запорный электроклапан; 11 – распределительный трубопровод; 12 – редуктор давления; 13 – поливной трубопровод с интегрированными / встраиваемыми капельницами; 14 – мобильная метеостанция с GPRS-модулем; 15 – источник электропитания 220V; 16 – вводной автомат; 17 – интернет-центр с модемом 4G и Wi-Fi модулем; 18 – электрощитовая; 19 – блок питания 12V; 20 – промежуточное Wi-Fi реле насоса; 21 – промежуточное Wi-Fi реле запорного электроклапана

Рисунок 3 - Базовая комплектация мобильной метеостанции. Расположение датчиков
Примечание: 22 – опорный шток; 23 – солнечная панель; 24 – герметично закрывающийся бокс; 25 – GPRS-модуль; 26 – электроплата; 27 – датчик температуры и влажности воздуха; 28 – аккумулятор; 29 – датчик температуры почвы; 30 – датчик влажности почвы
Рассмотрим принцип работы устройства: на промежуточное Wi-Fi реле насоса 20 поступает сигнал активации насоса 5, в то время как сигнал на открытие запорного электроклапана 10 передаётся его промежуточному Wi-Fi реле. Семнадцатый элемент подключается к блоку питания (12В). Это позволяет системе передавать сигналы изменения режима работы по Wi-Fi, а также сигналы срабатывания запорных клапанов 10, погружного насоса 5 по 4G. Данные, собираемые датчиками метеостанций, передаются оператору с помощью модуля GPRS. Произведя анализ необходимости орошения участка, работник направляет соответствующий сигнал на промежуточные Wi-Fi реле 20, 21.
При условии увеличения количества автономных метеостанций с GRSM-модулем, система способна осуществлять единовременное орошение зон с различными нормами полива, рельефом, структурой почвы. Также она позволяет, ориентируясь на метеоусловия, изменять количество влаги и время орошения, получать данные о температуре и влажности воздуха и грунта.
Из вышеописанного следует, что ключевой отличительной особенностью разработанного устройства капельного орошения является его оснащённость элементом удалённого управления системой с возможностью получения информации об уровне влажности и температуре почвы и воздуха, а также о наличии осадков и их количестве. GPRS-модуль, встроенный в метеостанции, собирает данные о температуре грунта и воздуха, их влажности наличии, а также о наличии осадков и их интенсивности, с дальнейшим стремительным удалённым изменением режима полива. Кроме того, функциональность модуля отражена в возможности учёта структуры грунта, рельефа местности при увеличении количества мобильных метеостанций. Иные элементы конструкции — промежуточные Wi-Fi реле насоса и электрических клапанов. Крайне положительной особенностью рассматриваемой системы выступает простота в конструкции и эксплуатации. Из-за беспроводной связи и механизма, не содержащего сложных элементов, механизация и обслуживание существенно упрощаются.
При вопросах орошения почвы важно учитывать взаимосвязь влажности, температуры воздуха и интенсивности испарения жидкости. Нередко в агрономии происходят ситуации, когда в условиях высокой температуры и низкой влажности воздуха система орошения отключается при достижении установленного верхнего порога влажности. Это нецелесообразно, так как при заданных условиях вода интенсивно испаряется, допуская возможности иссушения грунта и плодовых культур. Ситуация также может быть обратной: тогда возникают риски перенасыщения почвы влагой. Рассмотренные случаи могут быть предотвращены операторами, однако человеческий фактор не позволит свести риск переосушения/переувлажнения грунта к нулю.
Разработанная методика благодаря применению комплексных приборов измерения, инновационных средств передачи информации и связи способствует оперативному получению и анализу данных, а в следствии — решению проблемы удалённого управления системой капельного полива.
Техническим результатом инновационной разработки является обеспечение единовременного орошения всего поля, несмотря на различия в нормах полива, составе грунта и рельефе различных его участков. Принципиальным преимуществом системы выступает наличие беспроводной системы передачи данных, позволяющей агротехническим мероприятиям проводиться с максимальной результативностью. Кроме того, разработанная модель управления орошением способна учитывать взаимосвязь влажности, температуры воздушной среды и интенсивности изменения уровня содержания влаги в почве.
Для получения желаемого результата модернизации метода удалённого администрирования процесса капельного орошения, настоящая система снабжается осуществляющим удалённое управление механизмом, состоящим из автономных мобильных метеостанций с GPRS-модулем и промежуточных Wi-Fi реле электроклапанов и насоса. Модернизация конструкции и произведение дополнительных измерений показателей грунта и воздушной среды позволяет регулировать длительность полива, его режим на основании влияющих на показатели факторов.
Разработанная методика благодаря оперативной передаче данных оператору способствует незамедлительному анализу данных с последующим решением проблемы удалённого управления системой капельного полива на разнообразных грунтах единовременно.
Принцип работы устройства, отображённого на рисунке 1: на промежуточное Wi-Fi реле насоса 20 поступает сигнал активации насоса 5, в то время как сигнал на открытие запорного электроклапана 10 передаётся его промежуточному Wi-Fi реле. Семнадцатый элемент подключается к блоку питания (12В). Это позволяет системе передавать сигналы изменения режима работы по Wi-Fi, а также сигналы срабатывания запорных клапанов 10, погружного насоса 5. Данные, собираемые датчиками метеостанций, передаются оператору с помощью модуля GPRS. Произведя анализ необходимости орошения участка, работник направляет соответствующий сигнал на промежуточные Wi-Fi реле 20, 21.
В сравнении с уже существующими методиками орошения, разработанный в ходе работы способ имеет ряд технических преимуществ. Ключевым из них является осуществимость полива всех орошаемых участков одновременно, невзирая на различия состава грунта, рельефа, уровня и нормы влажности. Средством достижения такого результата выступает получение информации о наличии осадков, их количестве, об уровне влажности, температуры почвы и атмосферного воздуха (данные модуля GPRS).
Подводя итог работы, стоит ещё раз отметить отличительную особенностью разработанной системы управления капельным орошением: возможность получения информации об уровне влажности и температуре почвы и воздуха, а также о наличии осадков и их количестве. Использование при конструировании метеостанций модуля GPRS позволяет оперативно удалённо управлять системой полива, ведь благодаря модулю производится сбор информации о параметрах земли и воздуха, об интенсивности осадков. Базовая схема капельного орошения в описываемом устройстве снабжается промежуточными Wi-Fi реле насоса и электроклапанов, а также мобильными метеостанциями с модулем GPRS, что позволяет сделать работу системы удалённой и более эффективной в сравнении с уже разработанными методиками.
Кроме того, функциональность модуля отражена в возможности учёта структуры грунта, рельефа местности при увеличении количества мобильных метеостанций. Иные элементы конструкции — промежуточные Wi-Fi реле насоса и электрических клапанов. Крайне положительной особенностью рассматриваемой системы выступает простота в конструкции и эксплуатации. Из-за беспроводной связи и механизма, не содержащего сложных элементов, механизация и обслуживание существенно упрощаются.
Апробация дистанционного управления системой капельного орошения проводились в условиях молодого вишневого сада (720 единиц) Лаборатории плодоводства «Мичуринский сад» Российского государственного аграрного университета – МСХА имени К.А. Тимирязева. Предложенный авторами способ показал высокую эффективность по сравнению с классическими способами управления поливом, позволил сократить трудозатраты, повысить оперативность получения данных и качество оросительных мероприятий , , .
4. Заключение
Результатом проведенного исследования стала разработанная система, повышающая эффективность дистанционного управления процессом орошения за счёт оперативного удалённого регулирования длительность полива, его режима, осуществления полива зон с различной структурой почвы и рельефом, разными нормами полива. Разработанная система оснащена промежуточными Wi-Fi реле насоса и электроклапанов, мобильными метеостанциями с GPRS-модулем.
При разработанной методике удалённого управления работой системы капельного орошения почвы, рабочее оборудование (де-)активируется с учётом анализа уровня влажности почвы, наличия и интенсивности атмосферных осадков. Важная отличительная черта данного метода в сравнении с его аналогами — предусмотренное измерение температуры воздуха и почвогрунта, а также получение данных об уровне влажности воздуха, которое позволяет корректировать длительность полива и его режим.
