СТРУКТУРА МЕХАНИЗМА ГОСУДАРСТВЕННОГО УПРАВЛЕНИЯ
СТРУКТУРА МЕХАНИЗМА ГОСУДАРСТВЕННОГО УПРАВЛЕНИЯ
Аннотация
Статья акцентирует внимание на категории «механизм государственного управления» как на ключевом элементе в исследовании и организации государственного управления. Вводится определение механизма государственного управления как системы элементов, определяющих функционирование органов государственной власти и их воздействие на достижение управленческих целей. Предлагается визуализированная структурная модель механизма государственного управления, демонстрирующая системную организацию элементов. Модель включает целевую/методологическую подсистему, нормотворческую подсистему, технологическую подсистему, инструментальную подсистему, а также учитывает конструктивные и деструктивные воздействия внешней среды.
1. Введение
Государственное управление – это сложный процесс, в котором задействовано множество элементов для достижения управленческих целей.
В онтологическом и организационном аспектах важное место в изучении и организации государственного управления занимает категория «механизм государственного управления». Механизм государственного управления определяет характер функционирования органов государственной власти и влияет на достижение управленческих целей.
Использование категории «механизм» нацеливает специалистов на более глубокое исследование управленческих процессов в государстве. Это позволяет декомпозировать структуру механизма государственного управления с выделением существенных элементов. С позиций рационализации процесса государственного управления изучение его механизма является актуальным.
Цель работы – предложить структуру механизма государственного управления.
Научная новизна работы заключается в:
- представлении механизма государственного управления как системы взаимосвязанных элементов, детерминирующих функции органов государственной власти и их воздействие, ориентированное на достижение верифицируемых управленческих целей;
- развитии модели механизма государственного управления с классификацией ограничений и стимулов по видам и добавлении категории «убеждения» в состав модели;
- дифференциации убеждений на виды, релевантные ограничениям и стимулам, что обеспечивает дополнительную аналитическую проработку исследуемого вопроса;
- формализации процесса трансформации текущего состояния объекта управления в целевое в бюджетном периоде с подчеркиванием роли целевой/методологической подсистемы механизма государственного управления в процедурах оценки текущего состояния объекта и определении необходимых управленческих воздействий.
Практическая значимость работы обусловлена углубленным анализом структуры механизма государственного управления, что обеспечивает возможность применения элементов государственного механизма в заданном сочетании при условии бюджетных ограничений.
2. Результаты исследования
Государственное управление как процесс характеризуется многоуровневым взаимодействием структурных компонентов, функции которых синергически направлены на реализацию стратегических и оперативных правленческих целей государства. В контексте онтологического анализа системы государственного управления категория «механизм государственного управления» занимает ключевое положение, выступая концептуальной основой для изучения институциональных и процессуальных аспектов функционирования органов власти.
Сложность государственного управления обуславливает трактовку механизма государственного управления как комплекса институциональных, нормативных и функциональных взаимосвязей, определяющих алгоритмы деятельности субъектов власти и непосредственно влияющих на результативность достижения целевых установок.
Разносторонние подходы к описанию механизма государственного управления и его отдельных элементов содержатся в многочисленных работах ученых и практиков. Его структурно-динамическая организация определяет не только функционально-элементный состав государственных институтов, но и формирует условия для оптимизации управленческих решений в условиях социально-политической неопределенности.
В научном дискурсе представлены различные подходы к интерпретации механизма государственного управления. В исследовании Гузько Д.М. акцентируются контрольные и надзорные функции как имманентные структурные компоненты административного механизма, выполняющие роль гаранта соответствия управленческих практик нормативно-правовым стандартам . В рамках административно-правовой парадигмы Старикова О.С. интерпретирует механизм государственного управления через призму института государственной службы, подчеркивая его роль как системообразующего элемента кадрового обеспечения управленческих процессов .
Карлина А.А. и Устина Н.А. в своем исследовании осуществляют попытку описания механизма государственного управления через анализ институциональных взаимодействий между органами публичной власти и некоммерческими организациями, актуализируя принципы сетевой кооперации в реализации государственных функций . Короткова О.А. в своей работе представляет эмпирический анализ реализации региональной модели государственного управления, демонстрируя влияние территориально-административных особенностей на конфигурацию управленческих механизмов .
Методологическая фрагментарность существующих исследований, выражающаяся в фокусировке на отдельных аспектах управленческого механизма (институциональном, функциональном, региональном), объективно свидетельствует о поливариантности научных интерпретаций феномена государственного управления. Данная ситуация актуализирует задачу концептуализации категории «механизм государственного управления» через синтез когнитивных моделей, разработку унифицированного понятийного аппарата и формирование единой теоретической платформы для анализа управленческих процессов в секторе государственного управления.
Фрагментарность научного знания в данной области подчеркивает не только перманентную востребованность исследований, но и необходимость перехода от частнонаучных подходов к междисциплинарной парадигме изучения государственного управления. Такой подход актуализирует задачу рационализации управленческой деятельности через формализацию связей между элементами механизма государственного управления, их ресурсным обеспечением и конечными показателями результативности.
С современных позиций науки государственного управления исследование механизма государственного управления приобретает прикладное значение, поскольку:
1) создает методологическую базу для проектирования адаптивных моделей управления;
2) позволяет оценить синергетический эффект от взаимодействия институциональных акторов;
3) определяет критерии оптимизации бюджетных и организационных затрат при реализации государственных программ.
В работе механизм государственного управления (МГУ) трактуется как «система административных АОгр, экономических ЭкОгр и технических ТехОгр ограничений и стимулов Ст, используемых государством для реализации своих целей в определенной сфере деятельности», т. е. представлен в виде МГУ = {АОгр, ЭкОгр, ТехОгр, Ст}. Под административными методами-ограничениями в данном случае понимаются запреты заниматься определенными видами деятельности или использовать в деятельности отдельные методы. Административными методы-стимулы – это упрощение административных процедур и социальные рейтинги для организаций, карьерные преимущества и моральное поощрение для руководителей, делегирование полномочий. Экономические методы-ограничения основаны на взимании платы за определенные виды деятельности и/или используемые субъектом управления методы деятельности. Экономические методы-стимулы основаны на полной или частичной оплате государством определенных видов деятельности и/или используемых субъектом управления методов деятельности. Технические методы-ограничения разрешают определенные виды деятельности и/или используемые методы деятельности субъекта управления при условии выполнения им определенных требований государства. Технические методы-стимулы основаны на упрощении процедур и т.д.
С учетом известных описаний методов государственного управления (см. например , ) предлагаем следующий вид модели МГУ = {(АОгр, АСт), (ЭкОгр, ЭкСт), (ТехОгр, ТехСт), (УОгр, УСт)}. Предлагаемая модель отличается тем, что с целью уточнения состава и структуры механизма государственного управления множества ограничений и стимулов сгруппированы по отдельным видам (административные, экономические, технические) с образованием комплиментарных пар, и добавлены множества убеждений, как особой формы государственного управления. Под убеждениями здесь понимаются «процессы целенаправленного воздействия государственного органа на управляемый объект (общество в целом, социальную группу, отдельного человека), в результате которого идеи, ценности, установки государственного органа становятся внутренними идеями, личными установками объекта управления» . Убеждения в контексте данной работы разбиты на два подмножества:
1) убеждения в области ограничений направлены на формирования у субъекта государственного управления внутренних идей и личных установок на соблюдения ограничений;
2) убеждения в области стимулов на формирования у субъекта государственного управления внутренних идей и личных установок на получение стимулов.
Ограничения, стимулы и убеждения – это инструменты механизма государственного управления, а кроме инструментов, то есть частей механизма непосредственно контактирующих с объектом, на который механизм воздействует, нужны элементы, обеспечивающие работу инструментов.
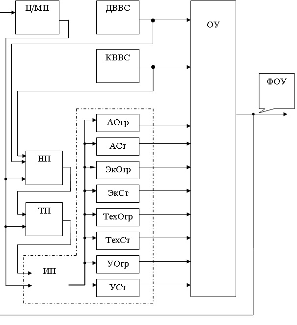
Рассмотрим авторскую модель механизма государственного управления (рис. 1).

Рисунок 1 - Авторская модель механизма государственного управления
Примечание: составлено авторами
В инструментальной подсистеме (она ограничена на рис. 1 пунктиром) отдельно выделены основные рабочие инструменты механизма государственного управления: АОгр – административные ограничения; АСт – административные стимулы; ЭкОгр – экономические ограничения; ЭкСт – экономические стимулы; ТехОгр – технические ограничения; ТехСт – технические стимулы; УОгр – убеждения по поводу ограничений; Уст – убеждения по поводу стимулов.
Функция механизма реализуется следующим образом, методика основывается на работах и .
По ФОУ определяются параметры текущего состояния ОУ и их значения, которые в планируемый бюджетный период необходимо привести к целевым.
Оценка параметров состояния и их сравнение с целевыми производится в Ц/МП. Со стороны внешней среды ОУ испытывает ДВВС и КВВС. Термин «деструктивные» подразумевает воздействия, препятствующие достижению объектом управления целевого состояния, термин «конструктивные» подразумевает воздействия со стороны внешней среды, способствующие достижению объектом управления целевого состояния.
Далее определяются элементы механизма государственного управления, которые будут использованы для достижения объектом управления целевого состояния, составляется матрица механизма государственного управления (табл. 1), в которой 1 – данный элемент механизма государственного управления будет использован для воздействия на соответствующий параметр объекта управления, а 0 – данный элемент механизма государственного управления не будет использован для воздействия на соответствующий параметр объекта управления.
Таблица 1 - Матрица механизма государственного управления (пример)
Параметры объекта управления | Элементы механизма управления | |||||||
АОгр | АСт | ЭкОгр | ЭкСт | ТехОгр | ТехСт | УОгр | УСт | |
s1 | 1 | 0 | 0 | 1 | 0 | 0 | 1 | 0 |
s2 | 0 | 0 | 1 | 0 | 1 | 0 | 1 | 0 |
… | ... | ... | ... | ... | ... | ... | ... | ... |
sr | 0 | 1 | 0 | 1 | 0 | 0 | 0 | 1 |
Примечание: составлено авторами
На следующем шаге в соответствии с методикой определяются затраты на реализацию элементов МГУ.
Предполагается, что для каждого параметра состояния объекта формируется соответствующая оценочная шкала, обеспечивающая перевод качественных характеристик объекта по j-му параметру в измеримое значение.
Параллельно требуется формирование нормативно-справочной базы расходных ставок, отражающих стоимостные эквиваленты ресурсных затрат, необходимых структурным элементам механизма государственного управления для перехода к состоянию объекта с шагом, соответствующим единичному интервалу оценочной шкалы. Каждая расходная ставка формализует зависимость между интенсивностью управленческого воздействия, генерируемого каждым элементом механизма государственного управления с сопряженными бюджетными расходами в контексте целевой трансформации объекта.
Таким образом, система оценки трансформации объекта опирается на два взаимосвязанных компонента:
1. Иерархию шкал измерения по параметрам состояния.
2. Матрицу затратных показателей, коррелирующих с дискретными изменениями объекта под управляющим воздействием.
Пример итогового расчета представлен в таблице 2.
Таблица 2 - Затраты по элементам механизма государственного управления (условных денежных единиц)
Параметры объекта управления | Элементы механизма государственного управления | ||||||||
АОгр | АСт | ЭкОгр | ЭкСт | ТехОгр | ТехСт | УОгр | УСт | Итого | |
s1 | 42 | 0 | 0 | 168 | 0 | 0 | 38 | 0 | 248 |
s2 | 0 | 0 | 14 | 0 | 16 | 0 | 38 | 0 | 68 |
… | ... | ... | ... | ... | ... | ... | ... | ... | ... |
sr | 0 | 12 | 0 | 312 | 0 | 0 | 0 | 45 | 369 |
Итого | 42 | 12 | 14 | 480 | 16 | 0 | 76 | 45 | 685 |
Примечание: составлено авторами
Итоговые бюджетные затраты на трансформацию объекта управления на одно деление по шкале составят 685 у.д.е. При этом рассчитаны затраты как по каждому элементу механизма государственного управления, так и по каждому параметру объекта управления. Это позволяет в условиях секвестризации бюджетных расходов выделить наиболее эффективные способы работы с объектом управления.
3. Заключение
Представленная разработка вносит вклад в теоретическое осмысление механизма государственного управления, предлагая уточненную концептуальную модель и детализированную структуру его элементов. Каждая составляющая структуры механизма государственного управления играет свою важную роль в обеспечении эффективного функционирования системы. Акцент на системном подходе и выделение различных видов управленческих инструментов позволяет углубить понимание сложности и многогранности процессов государственного управления и на практике использовать элементы государственного механизма в условиях ограниченного бюджетного финансирования.
