ИССЛЕДОВАНИЕ ГИДРАВЛИЧЕСКИХ РЕЖИМОВ МОДЕРНИЗИРУЕМОГО ПРОМЫШЛЕННОГО ПРЕДПРИЯТИЯ В ЗАБАЙКАЛЬСКОМ КРАЕ
ИССЛЕДОВАНИЕ ГИДРАВЛИЧЕСКИХ РЕЖИМОВ МОДЕРНИЗИРУЕМОГО ПРОМЫШЛЕННОГО ПРЕДПРИЯТИЯ В ЗАБАЙКАЛЬСКОМ КРАЕ
Аннотация
В работе представлены результаты обследования системы теплоснабжения модернизируемого промышленного предприятия, расположенного в Забайкальском крае. Проведен анализ фактических параметров теплоносителя (давления, температуры, расхода) на источниках тепла и у основных потребителей. Выполнен поверочный расчет насосного оборудования «Энергокомплекса» и «Дизельной котельной». Выявлены отклонения в работе насосного оборудования, не соответствующие условиям работы в системе теплоснабжения, которые могут быть вызваны как состоянием насоса, так и сети. Установлено, что сетевые насосы работают с недостаточным напором для обеспечения всех потребителей, что требует корректировки настроек частотного регулирования или пересмотра гидравлической схемы. Для повышения надежности и энергоэффективности системы теплоснабжения предприятия необходимо проведение гидравлической наладки сети, ремонт или замена неэффективно работающих насосных агрегатов.
1. Введение
Системы теплоснабжения промышленных предприятий представляют собой сложные инженерные комплексы, эффективность работы которых напрямую влияет на себестоимость выпускаемой продукции и энергетическую безопасность объекта. В условиях модернизации производства, изменения объемов выпуска продукции или реконструкции цехов, фактические гидравлические и тепловые режимы зачастую начинают отличаться от проектных. Это приводит к разрегулировке сети, «перетопам» или недогреву отдельных объектов, повышенному износу оборудования и перерасходу электроэнергии на перекачку теплоносителя , .
Особую актуальность данная проблема приобретает для регионов с резко континентальным климатом, таких как Забайкальский край. Суровые зимние условия предъявляют повышенные требования к надежности и отказоустойчивости систем отопления . Модернизация промышленных площадок в таких условиях требует тщательного аудита существующих тепловых сетей и источников тепла для выявления «узких мест» и потенциальных зон риска . Присоединение новых нагрузок или изменение технологических процессов без корректировки гидравлических режимов может привести к дисбалансу системы. Для предприятия в Забайкальском крае, где расчетная нагрузка отопления составляет 6,331 Гкал/ч, а также присутствуют нагрузки горячего водоснабжения (ГВС) и технологической линии, важно гарантировать, что существующее насосное и теплообменное оборудование способно обеспечить требуемые параметры , . Несоответствие фактических напоров и расходов паспортным данным насосов является индикатором либо неправильного выбора оборудования, либо его неисправности, либо повышенного гидравлического сопротивления сети. Выявление таких несоответствий позволяет своевременно принять меры по наладке системы, замене или ремонту оборудования, что предотвращает аварийные ситуации и снижает эксплуатационные затраты .
Целью данной работы является оценка соответствия фактических гидравлических режимов системы теплоснабжения модернизируемого промышленного предприятия проектным (паспортным) характеристикам оборудования на основе анализа натурных замеров и поверочных расчетов насосных агрегатов.
2. Методы и принципы исследования
Объектом исследования является система теплоснабжения горнопромышленного предприятия Забайкальского края, включающая источник тепла («Энергокомплекс»), насосные станции, тепловые сети и потребители.
Для отопления объектов используется горячая вода с параметрами 95/700С, которая нагревается в пластинчатых теплообменниках на источнике тепла и далее подается к потребителям. Расчетная присоединенная нагрузка отопления составляет 6,331 Гкал/ч. Для горячего водоснабжения используется горячая вода с температурой 68 0С по схеме с рециркуляцией 57 0С. Расчетная присоединенная нагрузка ГВС составляет 0,4393 Гкал/ч. Технологическая линия работает с использованием воды с температурным графиком 80/60 0С. Расчетная присоединенная технологическая нагрузка составляет 0,525 Гкал/ч.
Испытания проводились в соответствии с РД 153-34.1-09.164-00 и РД 153-34.0-20.523-98 в январе 2025 г. в период пиковых низких температур (согласно климатическим нормам Забайкальского края, отопительный сезон характеризуется экстремальными морозами в данное время). Средняя температура наружного воздуха за период замеров составила –28,5 °C, что соответствует 96% от расчетной температуры наружного воздуха для проектирования отопления. Режим работы предприятия в период обследования был штатным, без ограничений теплопотребления. В ходе проведения опытов измерялись расходы, давления, температуры теплоносителя . Замеры параметров проводились в двух режимах:
1) штатными приборами, фиксирующими показания стационарных манометров и термометров на насосных группах и теплообменниках «Энергокомплекса», а также на вводах к потребителям;
2) переносным оборудованием — расходы питательной воды фиксировали расходомером Стримлюкс (Россия); точность калибровки ±3%.
Температуру воды измеряли контактным цифровым термометром ТК-5.09 (Россия), погрешность ±0,5%. Температура воздуха и поверхностей регистрировалась инфракрасным пирометром DT-8869H (КНР), с разрешающей способностью 0,1ºС и пределом допускаемой относительной погрешности ±1%. Давление воды измерялось штатными техническими датчиками давления. Это позволило верифицировать данные штатных приборов и провести замеры в точках, не оснащенных стационарным учетом
Поверочный расчет насосных агрегатов заключался в определении фактической рабочей точки насоса (подача Q, м³/ч; напор H, м) и ее нанесении на паспортную характеристику, представленную в инструкциях по эксплуатации (Wilo, Grundfos). Степень загрузки насоса оценивалась как отношение фактической подачи к номинальной (максимальной) подаче для данной частоты вращения рабочего колеса , . Анализировалось также соответствие фактического напора рабочей зоне характеристики.
3. Основные результаты и обсуждение

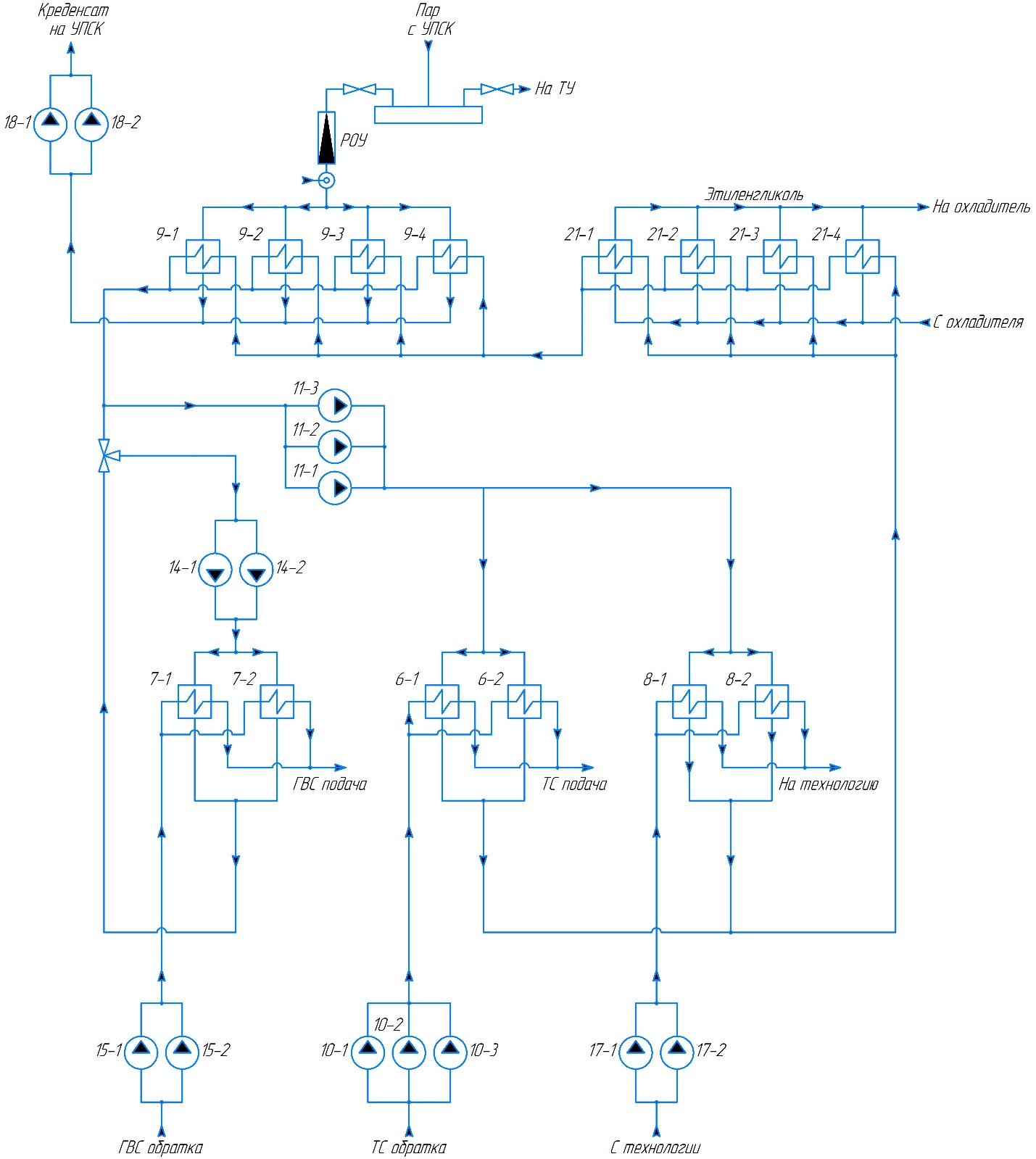
Тепловая схема предприятия:
УПСК – производственный цех; РОУ – редукционно-охладительная установка; ТУ – турбоустановка; ТС – тепловая сеть; ГВС – горячее водоснабжение; цифрами обозначены теплообменники, насосы
Анализ работы теплообменного оборудования установил, что теплообменник ГВС (гр. 7): нагрев сетевой воды с 96 °С до 81 °С, при этом нагреваемая вода для ГВС подогревается с 57 °С до 68 °С. Перепад давления по нагреваемой среде составляет 0,03 МПа (с 0,82 до 0,79 МПа), что указывает на умеренное гидравлическое сопротивление. Теплообменник технологической линии (гр. 6): осуществляется нагрев технологической воды с 79 °С до 84 °С за счет сетевой воды, остывающей с 88 °С до 84 °С. Потери давления здесь более существенны (0,09 МПа), что может свидетельствовать о загрязнении пластин или повышенной скорости теплоносителя в каналах . Теплообменник 9: при нагреве среды с 74 °С до 96 °С (подогрев 22 °С) зафиксировано низкое давление греющей среды на входе (0,075 МПа) и выходе (0,05 МПа), что свидетельствует о некорректной работе или подключении к источнику низкого давления.
Результаты замеров у потребителей (ЦПСК, Пожарная часть, АБК — административно-бытовой комплекс, Главный корпус и др.) показывают неравномерность распределения теплоносителя (таблица 1). Температура на вводах колеблется от 84 °С до 93 °С.
Таблица 1 - Сводные данные замеров температуры (Т) и давления (Р) у потребителей
Объект | T вход, °С | T выход, °С | P вход, МПа | P выход, МПа | ΔP, МПа |
ЦПСК | 93 | 82 | 0,71 | 0,56 | 0,15 |
Пожарная часть | 92 | 87 | 0,68 | 0,53 | 0,15 |
АБК | 90 | 86 | 0,68 | 0,53 | 0,15 |
Главный корпус | 85 | 75 | 0,34 | 0,30 | 0,04 |
Автоколонна | 84 | 70 | 0,60 | 0,52 | 0,08 |
Дизельная котельная | 88 | 82 | 0,42 | 0,48 | 0,06 |
Высокий перепад давления (0,15 МПа) на ЦПСК и близлежащих объектах (Пожарная часть, АБК) говорит о том, что эти узлы потребляют достаточное количество энергии и имеют правильно настроенную автоматику или дроссельные шайбы. Напротив, крайне низкий перепад в Главном корпусе (0,04 МПа) свидетельствует о недостаточном располагаемом напоре или о том, что задвижки на этом потребителе открыты не полностью, а сам узел является «ближним» и «задавленным» . Аномалия на «Дизельной котельной» (давление на выходе выше, чем на входе) объясняется работой собственного насоса на этом объекте и требует отдельного анализа его режима.

Расходная характеристика насоса Wilo-IL 80/200-22/2

Расходная характеристика насоса Wilo BL-100/250-11/4

Расходная характеристика насоса Grundfos ТР 65-310
Состояние насосного оборудования в целом оценивается как удовлетворительное, за исключением двух критических точек: насоса утилизации тепла (гр. 21 рис. 1) и насоса дизельной котельной. Работа этих агрегатов в нерасчетных режимах ведет к прямым финансовым потерям из-за неэффективного использования электроэнергии и потенциально несет риск аварийного выхода из строя .
Теплообменное оборудование требует ревизии, особенно аппараты с повышенными потерями давления (гр. 6) и сомнительными параметрами давления греющей среды (гр. 9), наиболее вероятная причина которых подключение теплообменника к ответвлению тепловой сети с заниженным диаметром (заужение после реконструкции), что подтверждается косвенными данными — одновременным низким давлением на входе и выходе при сохраняющемся перепаде 0,025 МПа. Кроме того, отложение солей, коррозионных продуктов, неисправность регулирующего клапана, задвижки на вводе также могут вносить свой вклад в снижение параметров. Повторная балансировка узла возможна после проведения гидравлического расчета участка до теплообменника с натурным промером диаметров, замена участка трубопровода (при подтверждении заужения), промывка теплообменника.
Для оптимизации режимов следует провести наладочный расчет тепловой сети с целью распределения расходов теплоносителя в соответствии с фактическими нагрузками , , . Это может потребовать установки дроссельных диафрагм или балансировочных клапанов на вводах ближних потребителей. Также необходимо выполнить диагностику и ремонт проблемных насосов (гр. 20 и Grundfos), проверить плотность закрытия обратных клапанов и отсутствие перетоков.
По данным обследований промышленных предприятий Сибири , , доля насосов, работающих вне оптимальной зоны характеристик, составляет в среднем 22–30 %. В полученных нами данных из обследованных насосных групп нештатный режим выявлен для 25%, что коррелирует с отраслевой статистикой. Типичная величина располагаемого перепада у «дальних» потребителей на промышленных предприятиях Забайкалья варьируется от 0,03 до 0,08 МПа . Полученное значение 0,04 МПа для Главного корпуса находится в нижней части этого диапазона, что подтверждает необходимость балансировки. Выявленные нарушения являются типичными для отрасли, но степень их выраженности по отдельным узлам превышает средние значения, что требует особого внимания.
4. Заключение
В результате инструментального обследования системы теплоснабжения забайкальского горнопромышленного предприятия зафиксированы фактические параметры теплоносителя, свидетельствующие о неравномерности гидравлического режима сети. Установлено, что располагаемый перепад давления у потребителей варьируется от 0,04 МПа до 0,15 МПа, что указывает на недостаточную гидравлическую устойчивость системы и необходимость балансировки. Поверочный расчет насосных агрегатов показал, что большинство насосов (ГВС, отопление технологической линии, внутренние контуры) работают в зоне номинальных характеристик со степенью загрузки 67–81%, что соответствует условиям их эксплуатации. Выявлено два критических отклонения: насос контура утилизации тепла (Wilo BL-100/250-11/4) развивает напор 3,06 м, что значительно ниже номинальных значений, что требует немедленной ревизии системы и самого насоса; насос дизельной котельной (Grundfos TP 65-310) работает с загрузкой 46% и не соответствует условиям работы системы теплоснабжения, что говорит о его некорректном подборе или неисправности. Сетевые насосы работают с недостаточным напором для обеспечения всех потребителей, что требует корректировки настроек частотного регулирования или пересмотра гидравлической схемы. Для повышения надежности и энергоэффективности системы теплоснабжения предприятия необходимо проведение гидравлической наладки сети, ремонт или замена неэффективно работающих насосных агрегатов и очистка теплообменников с повышенным гидравлическим сопротивлением.
